EasyManua.ls Logo

Ecoer EAHAEC-60 - Page 76

Default Icon
157 pages
Print Icon
To Next Page IconTo Next Page
To Next Page IconTo Next Page
To Previous Page IconTo Previous Page
To Previous Page IconTo Previous Page
Loading...
76/157
SDi Decades Extreme Service Manual www.ecoer.com
May. 2023Manufacturer reserves the right to change specifications or designs without notice.
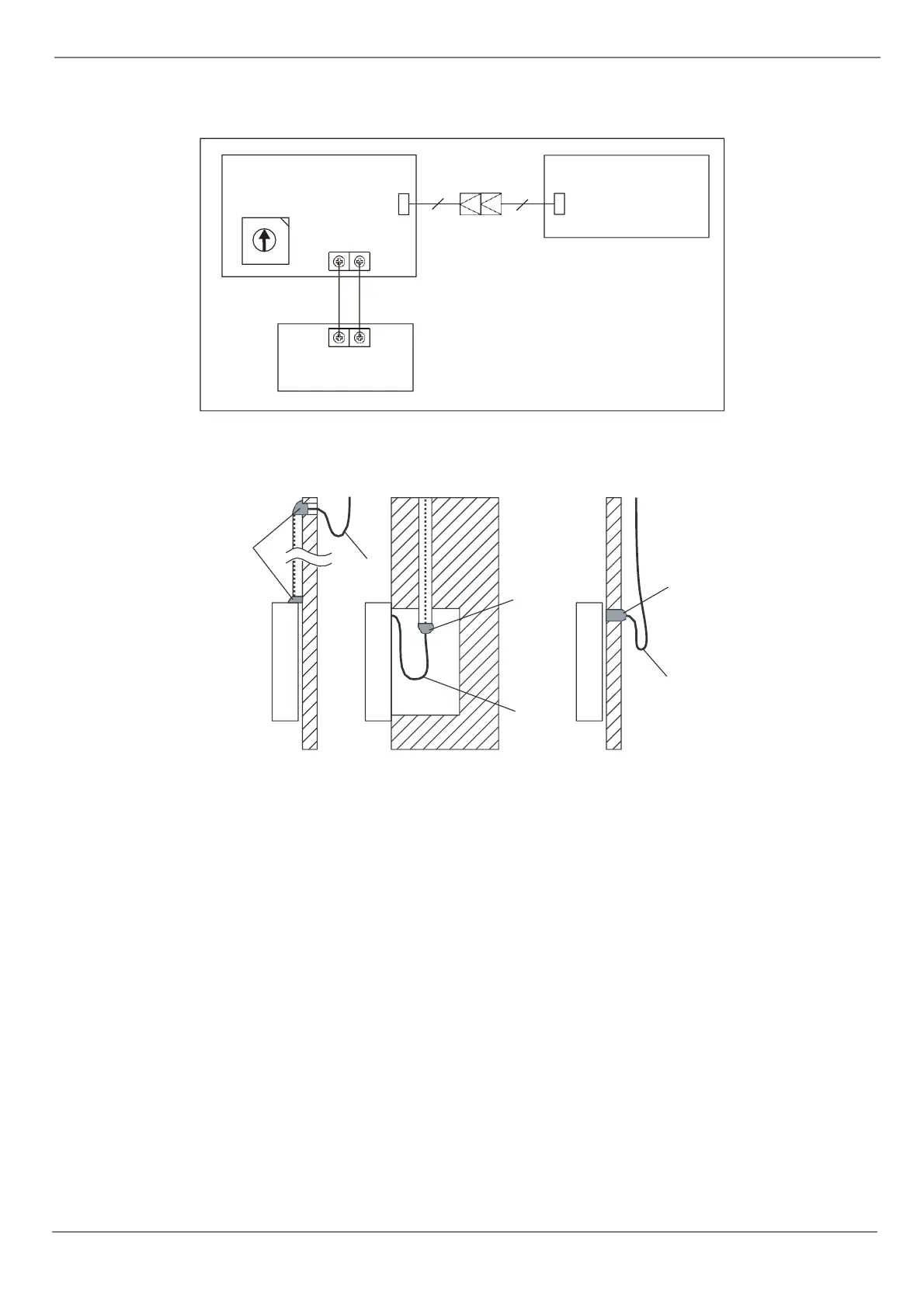
For some models: The wired controller connects to terminal board, terminal board connects to main control board.
HA HB
Terminal board
HA HB
Wired controller
ENC1
CN2
Main control board
CN40
4
0
1
2
3
4
5
6
7
8
9
A
B
C
D
E
F
4
Putty
Putty
Putty
Trap
Trap
Trap
Note: DO NOT allow water to enter the remote control. Use the trap and putty to seal the wires.

Related product manuals