EasyManua.ls Logo

EcoFlow POWEROCEAN SINGLE-PHASE - System Wiring Diagram

EcoFlow POWEROCEAN SINGLE-PHASE
28 pages
Print Icon
To Next Page IconTo Next Page
To Next Page IconTo Next Page
To Previous Page IconTo Previous Page
To Previous Page IconTo Previous Page
Loading...
|9
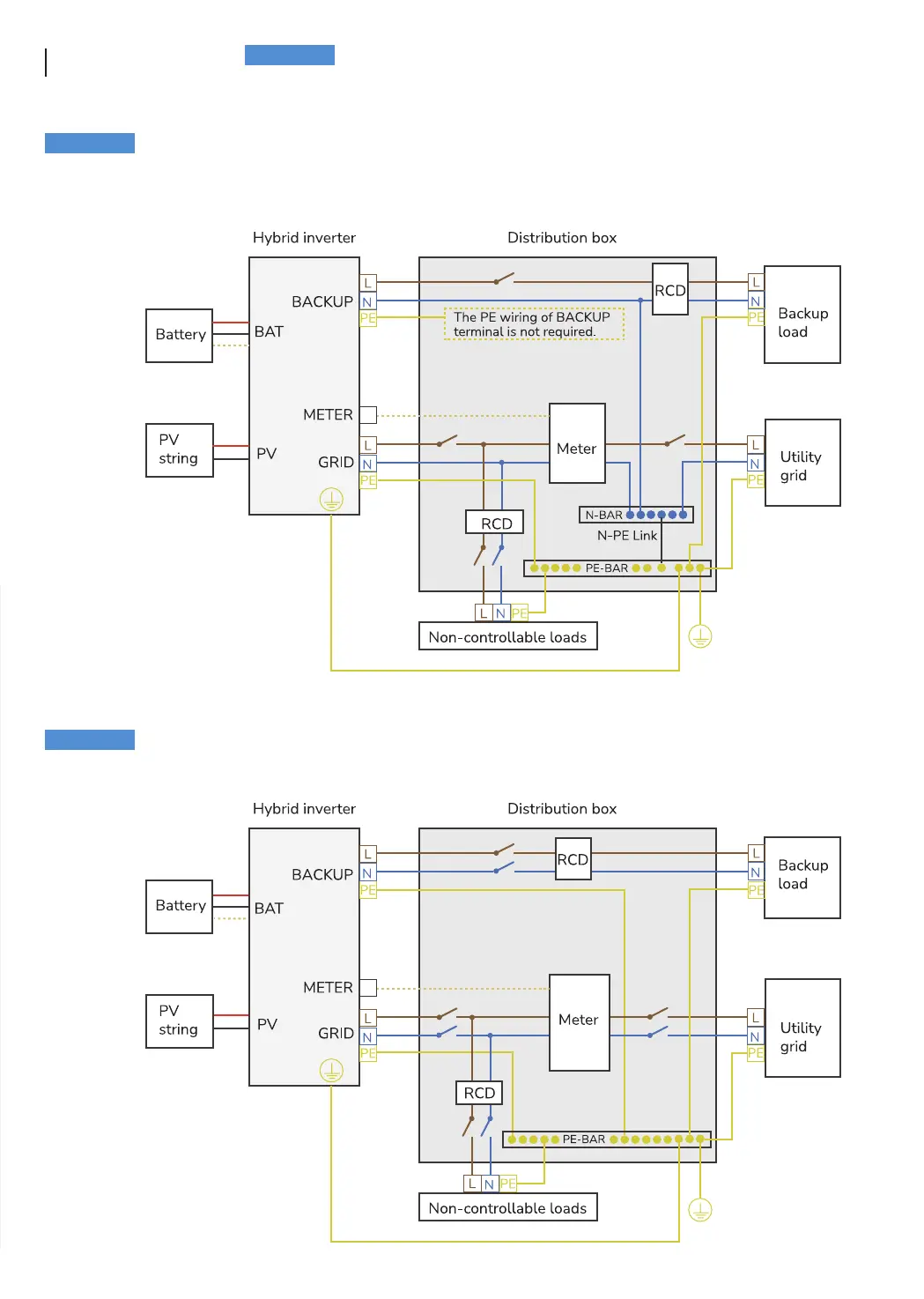
N and PE wiring via GRID and BACKUP ports of the inverter vary based on the
regulation requirements of different regions. Refer to the specific requirements of
local regulations.

For Australia and New Zealand, the N cable of GRID side and BACK-UP side must be connected together according to the
wiring rules AS/NZS_3000. Otherwise BACK-UP function may be abnormal and risky.
A single-pole double-throw switch (SPDT for short) is recommended to be configured on the BACK-UP side for
convenient maintenance.
The following diagram is applicable to areas in Australia, New Zealand, etc.

System Wiring
Diagram
a. N and PE cables are connected together in the Main Panel for wiring.
The following diagram is applicable to other countries whose grid systems without special requirement on wiring
connection.
A double-pole double-throw switch (DPDT for short) is recommended to be configured on the BACK-UP side for
convenient maintenance.

b. N and PE cables are separately wired in the Main Panel.