EasyManua.ls Logo

Edwards SIGA-CC1 - Page 4

Edwards SIGA-CC1
6 pages
Print Icon
To Next Page IconTo Next Page
To Next Page IconTo Next Page
To Previous Page IconTo Previous Page
To Previous Page IconTo Previous Page
Loading...
4 / 6 P/N 387022P-EN • REV 13 • ISS 14MAR17
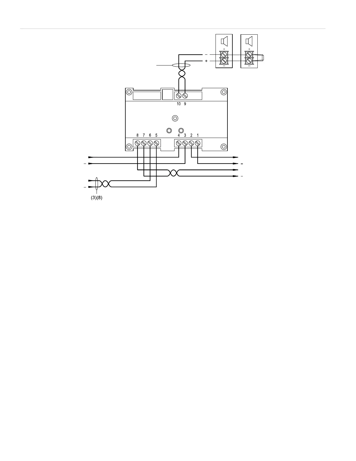
Figure 4: Wiring diagram for audio (personality code 5)
(1) Signal polarity shown when the circuit is in supervisory state.
Polarity reverses when the circuit is active.
(2) Supervised.
(3) Power-limited unless connected to a nonpower-limited source. If
the source is nonpower-limited, eliminate the power-limited mark
and maintain a minimum of 0.25 in. (6.4 mm) space from power-
limited wiring. For other mounting methods, see enclosure and
bracket installation sheets to maintain separation of power-
limited and nonpower-limited wiring. The wire size must be
capable of handling fault current from nonpower-limited source.
— or —
Use type FPL, FPLR, FPLP, or permitted substitute cables,
provided these power-limited cable conductors extending beyond
the jacket are separated by a minimum of 0.25 in. (6.4 mm)
space or by a nonconductive sleeve or nonconductive barrier
from all other conductors. Refer to the NFPA 70 National
Electrical Code for more details.
(4) Unshielded twisted pair.
(5) 47 k EOLR (P/N EOL-47).
(6) Signaling line circuit (SLC) to next device.
(7) Audio riser (to next module or supervisory end of line device).
(8) Unshielded twisted pair. Use shielded twisted pair when
installed in the same conduit as with a telephone riser.
(9) Audio riser (from previous device).
(10) Signaling line circuit (SLC) from previous device. Supervised
and power-limited.
(5)
(1)(2)(3)(4)
+
+
+
+
(6)
(7)
(9)
(10)

Related product manuals