EasyManua.ls Logo

EFA 66 - Page 19

EFA 66
Print Icon
To Next Page IconTo Next Page
To Next Page IconTo Next Page
To Previous Page IconTo Previous Page
To Previous Page IconTo Previous Page
Loading...
Schmid & Wezel
D 75433 Maulbronn
Seite/ Page
18/ 22
Ausführung/ Version
02.2009
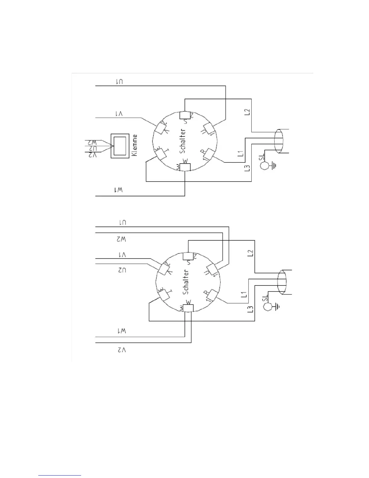
A.5 Anschlussdiagramm/ Connection diagram
A.5.1 Anschlussplan 230V/ 400V

Table of Contents

Related product manuals