EasyManua.ls Logo

EFA 66 - Connection Diagrams

EFA 66
Print Icon
To Next Page IconTo Next Page
To Next Page IconTo Next Page
To Previous Page IconTo Previous Page
To Previous Page IconTo Previous Page
Loading...
Schmid & Wezel
D 75433 Maulbronn
Page
18/ 22
Version
02.2009
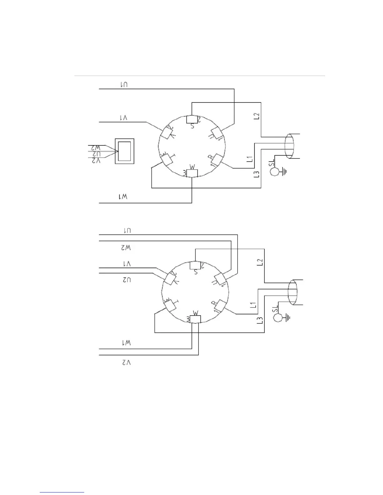
A.5 Connection diagram
A.5.1 Connection plan 230V/ 400V
Switch
Switch
Clamp

Table of Contents

Related product manuals