EasyManua.ls Logo

EFA 66 - Page 41

EFA 66
Print Icon
To Next Page IconTo Next Page
To Next Page IconTo Next Page
To Previous Page IconTo Previous Page
To Previous Page IconTo Previous Page
Loading...
Schmid & Wezel
D 75433 Maulbronn
Page
17/ 22
Version
02.2009
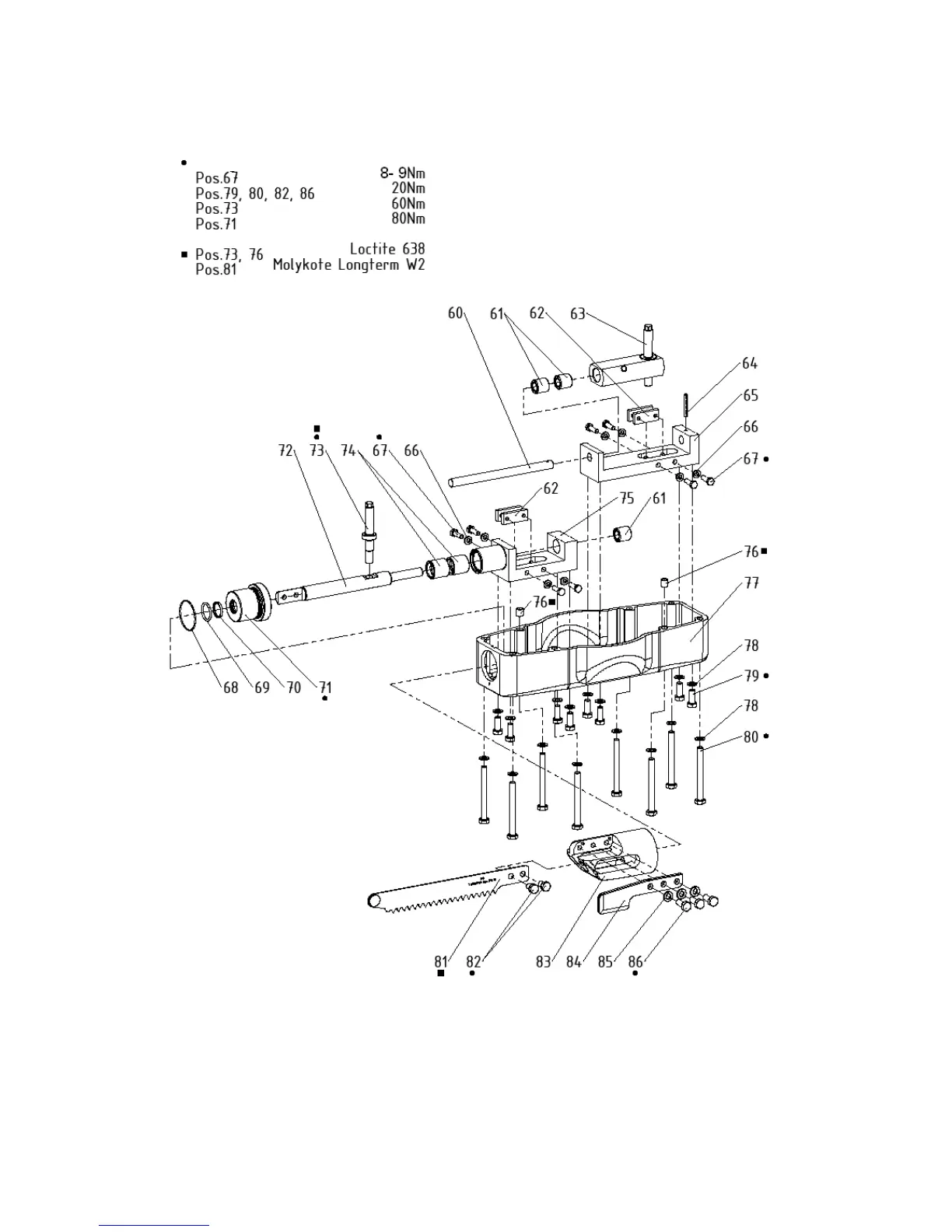
Observe tightening torque:
secured
lubricated

Table of Contents

Related product manuals