EasyManua.ls Logo

EHC Comet - Electrical Schematic

EHC Comet
36 pages
Print Icon
To Next Page IconTo Next Page
To Next Page IconTo Next Page
To Previous Page IconTo Previous Page
To Previous Page IconTo Previous Page
Loading...
17
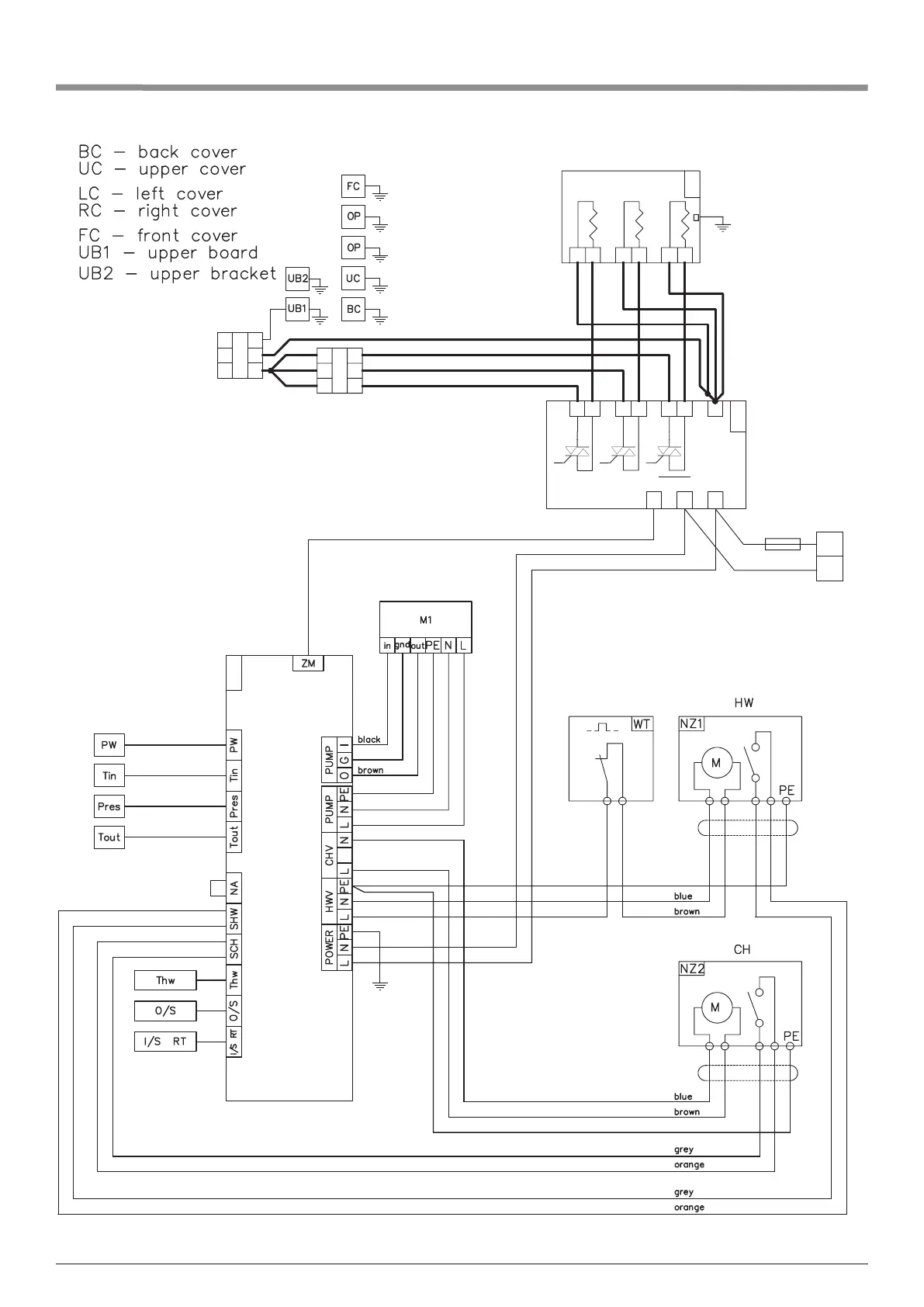
11. Electrical Schematic
1A
1B
ZG
ZM
MSK
1A
1B
1A
1B
G1
L1
G2
L2
G3
L3
N
L
N
MSK
1 2 3
XP
U V W
WT3
1 2 3
L
N
Wireless Receiver
Supply
L N PE

Related product manuals