EasyManua.ls Logo

eka EKF 1111 E UD - Wiring Layout

eka EKF 1111 E UD
27 pages
Print Icon
To Next Page IconTo Next Page
To Next Page IconTo Next Page
To Previous Page IconTo Previous Page
To Previous Page IconTo Previous Page
Loading...
Electronic Ovens rev. 0 __________________________________ EKF 1111 E UD – EKF 1064 E UD – EKF 1016 E UD
_________________________________________________________________________________________ page 25
5.
5.5.
5.5
55
5
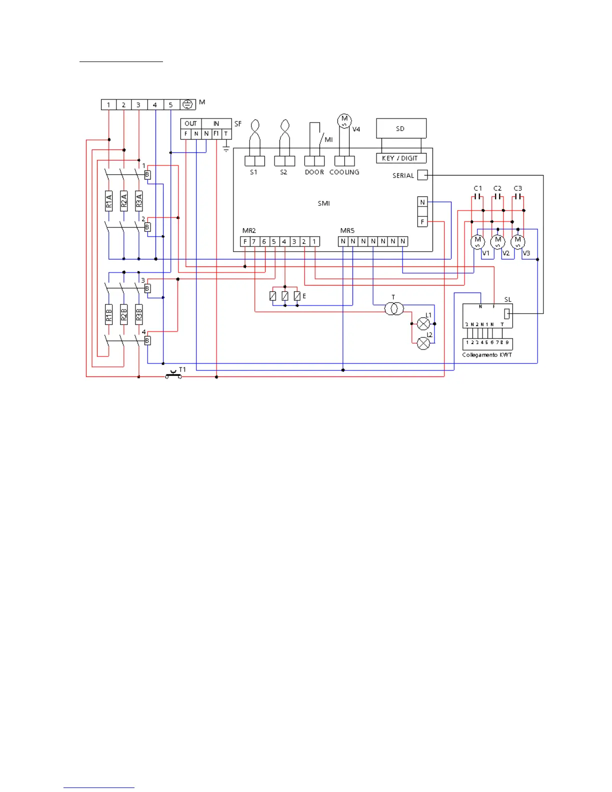
Wiring layout
Wiring layoutWiring layout
Wiring layout
Key
KeyKey
Key
M Power supply terminal board
B1-B2-B3-B4 Contactors coil
R1-R2-R3 Circular heating elements
T1 Oven safety thermostat
C1-C2-C3 Capacitors
V1-V2-V3 Radial motorised ventilators
V4 Tangential motorised ventilator
T
230/12V transformer
L1-L2
Lighting lamp
MI Door microswitch
E
Water solenoid-valves
S1 Cooking chamber probe
S2 Food core probe
SMI
Microprocessor card
SD
Display card
SF Filter card
SL Washing card
KWT Washing box

Related product manuals