EasyManua.ls Logo

elddis Aspire - ELECTRICAL DRAWINGS; Aspire

elddis Aspire
96 pages
Print Icon
To Next Page IconTo Next Page
To Next Page IconTo Next Page
To Previous Page IconTo Previous Page
To Previous Page IconTo Previous Page
Loading...
16-1
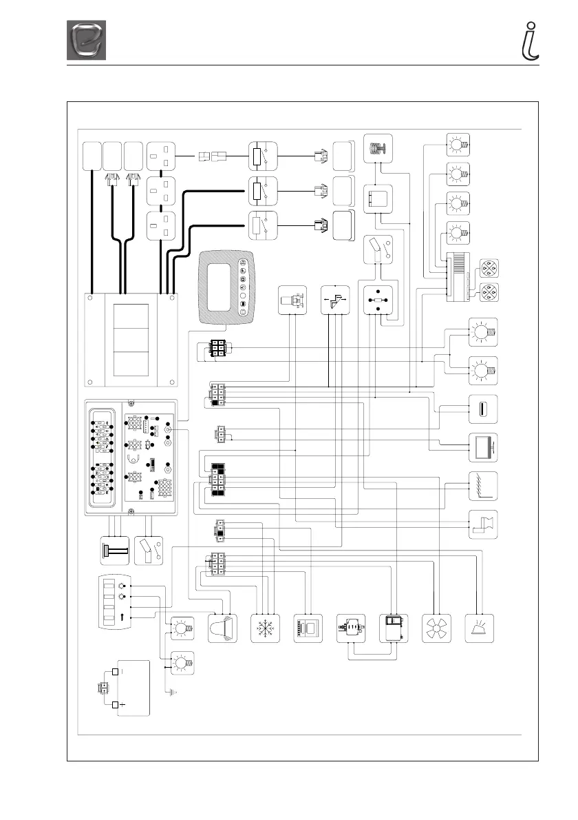
ELECTRICAL DRAWINGS
ELECTRICAL DRAWINGS
ASPIRE
ALDE
spur
10A
Colour Key
Wh - White
Yel - Yellow
Blu/Brn - Blue/Brown
Gr/Blk - Green/Black
Or - Orange
Red - Red
Blk - Black
Yel/Blk - Yellow/Black
Red/Or - Red/Orange
Gr - Green
Blu/Red - Blue/Red
Blk/Wh - Black/White
Gr/Blu - Green/Blue
Auxillary
Battery
R
Blk
Brn/Blu - Brown/Blue
Brn/Red - Brown/Red
Wh/Gr - White/Green
Wh/Blu - White/Blue
Fridge
Aerial
TV outlet
Combi boiler
Roof fan
AUX
Blu - Blue
Pur - Purple
Gr/Red - Green/Red
Gr/Brn - Green/Brown
Alarm
Wh
Blk
Yel/Blk
Circulation pump
Oven
Red/Or
Wh
Gr
Or
Wh
Bl
Wh
All white negatives are linked therefore cable sizes and
locations may vary.
Or/Blk
Wh
Pur
Wh
Yel
12V Inputs
Wh
Lights
Fresh water probe
Wh
Fresh water
Float switch
Internal Pump
Whale
Pur
Wh
Wh/Blu - White/Blue
Soleniod
Grn/Brn
Pnk/Blu
The internal water pump has a pressure switch incorperated
Wh
Note:
Lights
Blu/Brn
Gr/Blk
Fridge
Microwave
spur
10A
Hob
spur
10A
13A Sockets
230V Mains
intake
230V Mains Intake
3 core flex
White (16A)
3 core flex
White (16A)
3 core flex Or
ALDE
Compact
3010
ALDE
Compact
3010
Electric hot
plate Hob
Microwave
Red/Brn
Wh/Brn
Or/Wh - Orange/White
Pnk - Pink
Pnk/Blu - Pink/Blue
1 2
1 2 3 4
1 2 3 4 5 6
1 2 1 2
+B2+B1-B1
AUX
12
6
9
12
8
4
7
10
11
6
4
6
4
6
4
9
7
8
20
19
22
17
26
20
27
28
32
31
30
21
23
24
7
10
12
14
16
15
13
11
9
8
4
6
29
18
3A 10A 15A 30A 25A
5A
20A 3A
5A
10A
5A 5A
15A 3A 10A 20A
16
9
8
6A
MCB
16A
MCB
25A
RCD
Charger
3 core flex blk (6A)
3 core flex blk (6A)
3 core flex
White (16A)
Toilet
12V
PROG
12.00
Float switch For waste tank
Blu/Red
Wh
Awning light
Wh
Red
Brn
Wh
Yel
USB Charging
Wh
Gr/Blk
AA2A3A4
High level
Lights
Ambient
Lights
Worktop
Lights
Low level
Lights
Wh/Brn
Blk
Brn
Grey
Electric step
Wh
Red
Bl
Pnk
External water
socket
Wh
Wh
Blu/Wh
Whale
Blu/Wh
Wh
Wh
Or
L/H Marker lights
D
R/H Marker lights
B Pillar relays
Red/
Brn
Wh
Blk
Brn

Table of Contents

Related product manuals