EasyManua.ls Logo

Electra DELTA 18ST - Wiring Diagrams; Indoor Unit Wiring Diagram

Electra DELTA 18ST
110 pages
Print Icon
To Next Page IconTo Next Page
To Next Page IconTo Next Page
To Previous Page IconTo Previous Page
To Previous Page IconTo Previous Page
Loading...
8-1
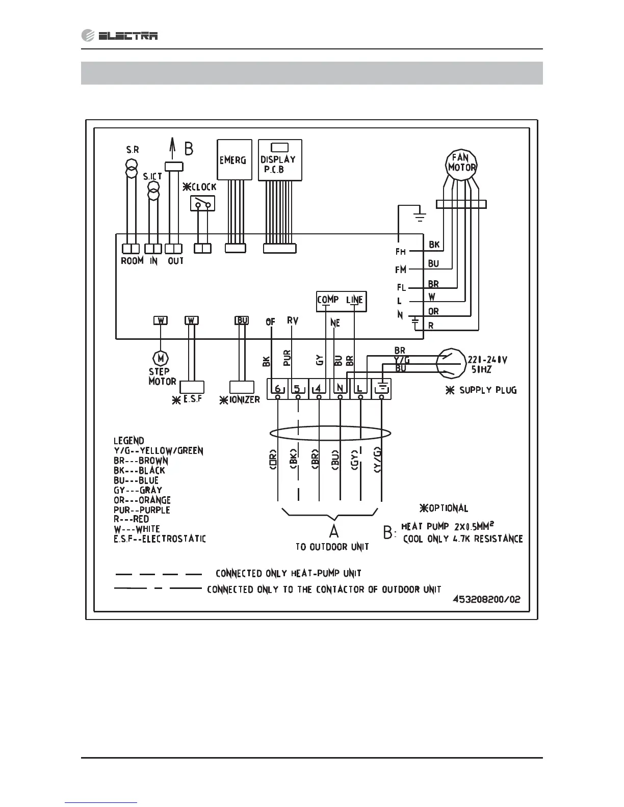
WIRING DIAGRAMS
SM DELTA 1-E.0 GB
8. WIRING DIAGRAMS
8.1 Indoor Unit: DELTA 18, 21, 24

Related product manuals