EasyManua.ls Logo

Electra DELTA 18ST - Page 34

Electra DELTA 18ST
110 pages
Print Icon
To Next Page IconTo Next Page
To Next Page IconTo Next Page
To Previous Page IconTo Previous Page
To Previous Page IconTo Previous Page
Loading...
8-4
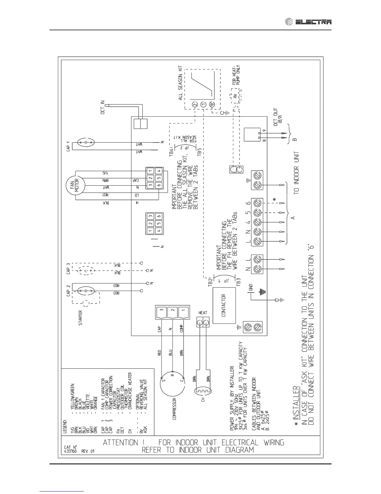
WIRING DIAGRAMS
SM DELTA 1-E.0 GB
8.4 Outdoor Unit: OU7-24 1PH R410A

Related product manuals