EasyManua.ls Logo

Electra WMN12 - Schematic Diagram (With Electrical Heating)

Electra WMN12
30 pages
Print Icon
To Next Page IconTo Next Page
To Next Page IconTo Next Page
To Previous Page IconTo Previous Page
To Previous Page IconTo Previous Page
Loading...
2222
2222
22
WMTWMT
WMTWMT
WMT
090914 RC090914 RC
090914 RC090914 RC
090914 RC
High THigh T
High THigh T
High T
echech
echech
ech
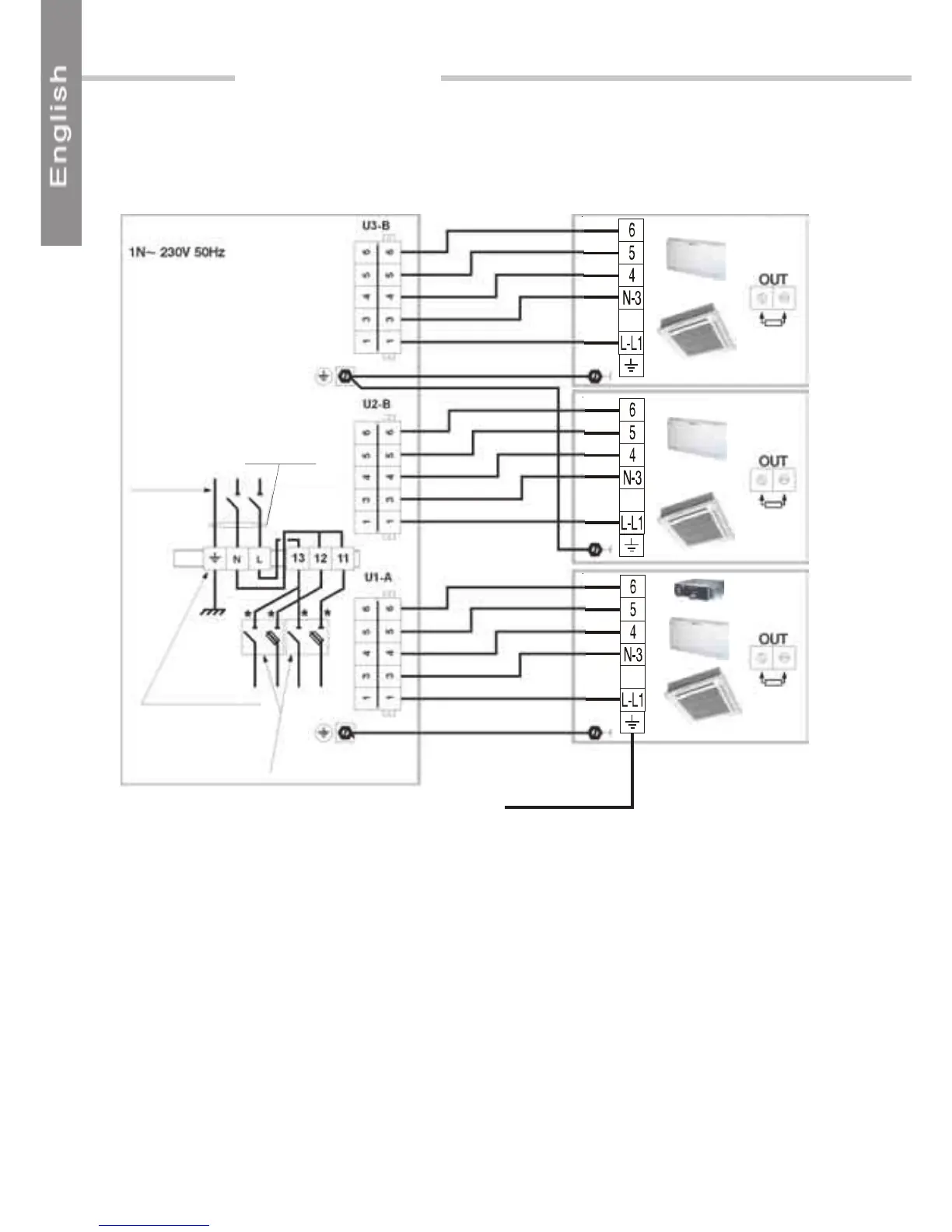
SCHEMATIC DIAGRAM - WMT 090914 RC WITH ST- WITH ELECTRICAL
HEATING
* Wires supplied
NONO
NONO
NO
TT
TT
T
A :A :
A :A :
A :
If 2 or more indoors units are equipped with electrical heating, the installation of one or two
single pole fuse holders with a neutral cut out (17.5 mm module – not supplied) is required.
Location and connection of fuse holders (not supplied) with the shunts supplied.
Main terminal block: X
Fuse holder not supplied: Refer
to note - Fuse holder rating in
relation to number of ST units
with electrical heating
PXD - ECF - LS
4.7k
:
4.7k
:
4.7k
:
Fuse holder rating in
relation to number of
ST units with electrical
heating.
Power supply cable
section in relation to
number of ST units
with electrical heating.

Table of Contents

Related product manuals