EasyManua.ls Logo

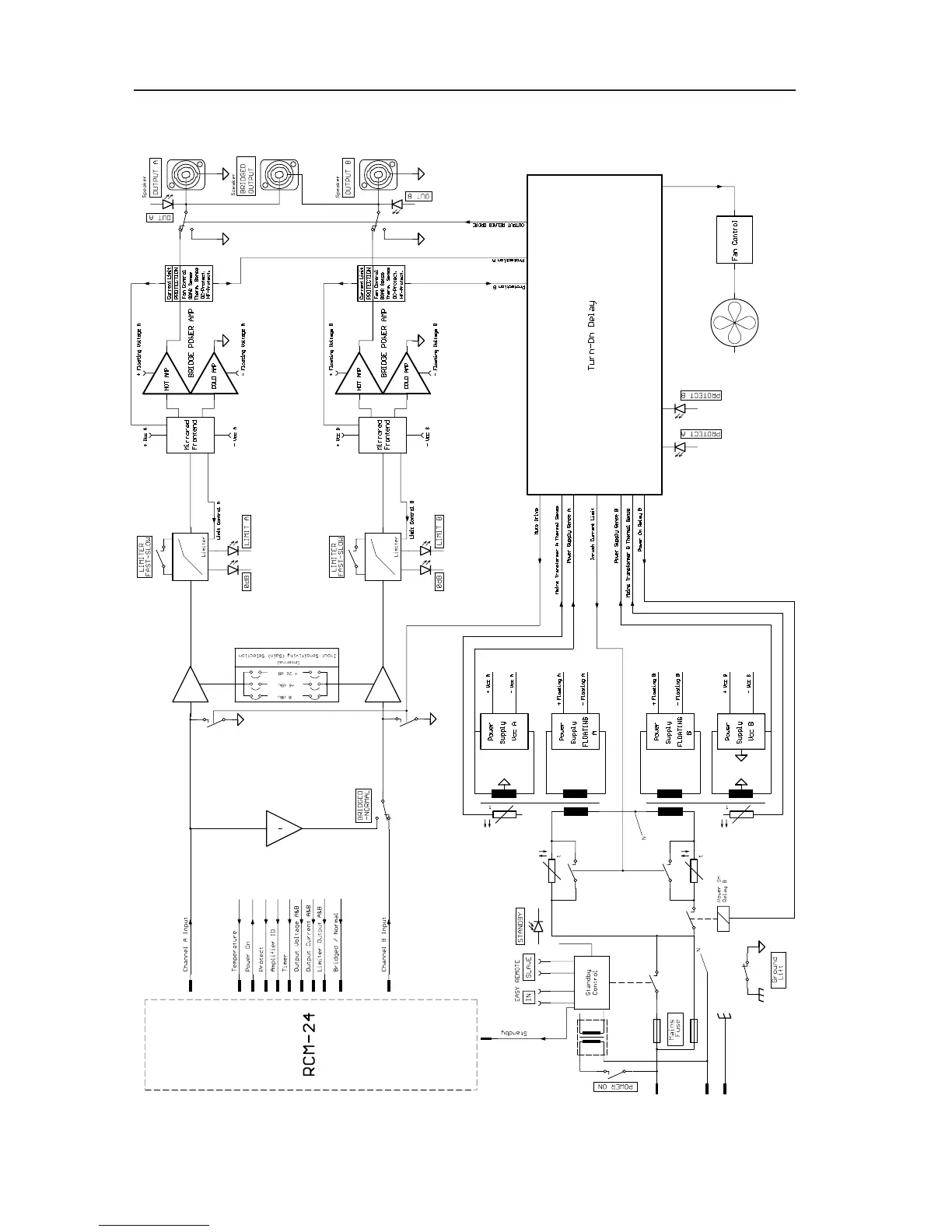
Electro-Voice P3000RL - System Diagrams; Amplifier Block Diagram

Electro-Voice P3000RL
40 pages
Print Icon
To Next Page IconTo Next Page
To Next Page IconTo Next Page
To Previous Page IconTo Previous Page
To Previous Page IconTo Previous Page
Loading...
34
35
BLOCK DIAGRAM AMPLIFIER

Related product manuals