EasyManua.ls Logo

Electrolux MC1751E - Pictorial Diagram

Electrolux MC1751E
33 pages
Print Icon
To Previous Page IconTo Previous Page
To Previous Page IconTo Previous Page
Loading...
SOI 01.05 FV 33/33 599 36 78-06
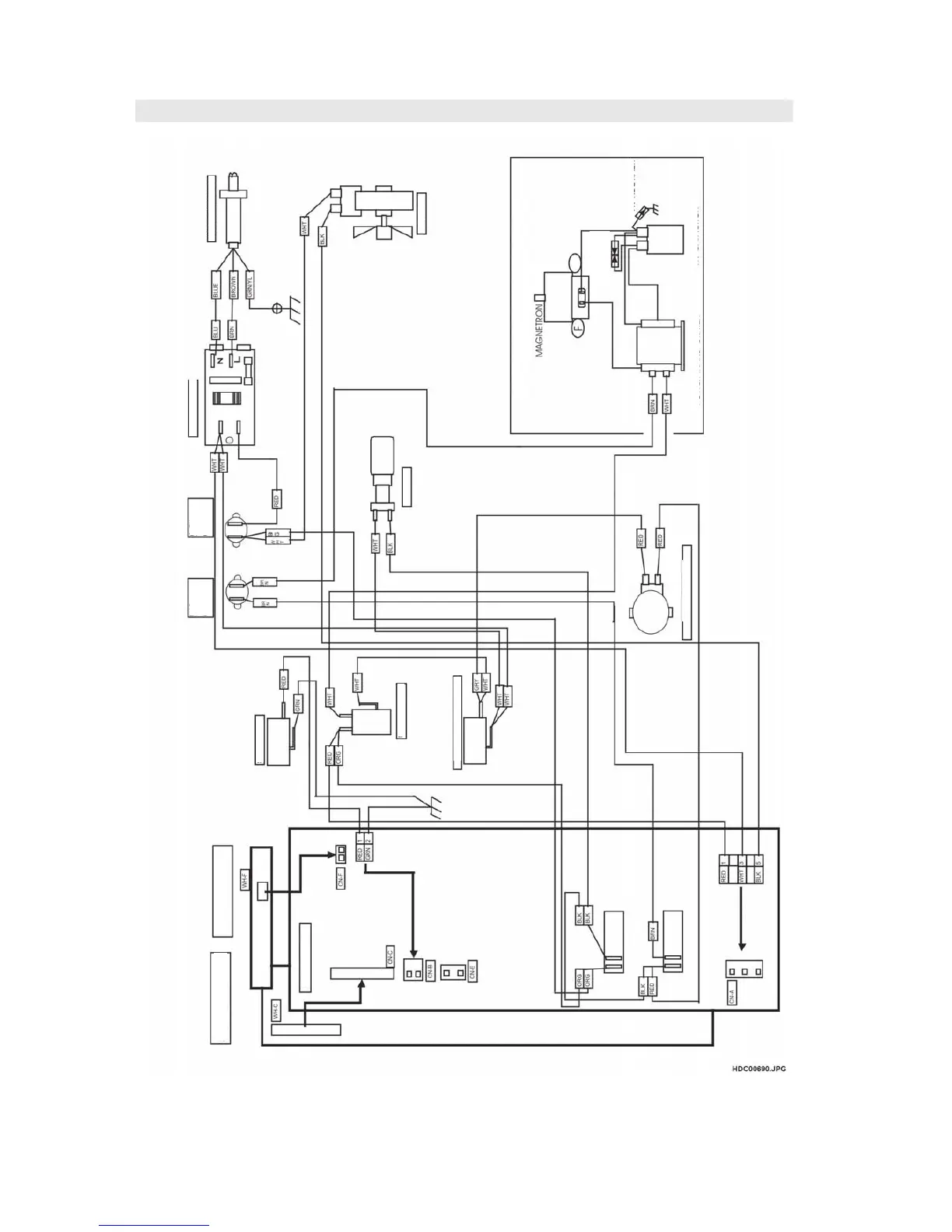
PICTORIAL DIAGRAMS
CONTROL UNIT
MONITORED LATCH SWITCH
MONITOR SWITCH
STOP SWITCH
MAG.
THERMAL
CUTOUT
OVEN
THERMAL
CUTOUT
NOISE FILTER UNIT
OVEN LAMP
HIGH VOLTAGE COMPONENTS
SHORT
PROCTETOR
HV CAPACITOR
HV
RECTIFIER
POWER TRANSFORMER
TURNTABLE MOTOR
SWITCH UNIT
LED BOARD
MAINS SUPPLY CORD
FAN MOTO
R
FA

Related product manuals