EasyManua.ls Logo

Electrolux Talkie - BASIC CIRCUIT DIAGRAM

Electrolux Talkie
41 pages
Print Icon
To Next Page IconTo Next Page
To Next Page IconTo Next Page
To Previous Page IconTo Previous Page
To Previous Page IconTo Previous Page
Loading...
36
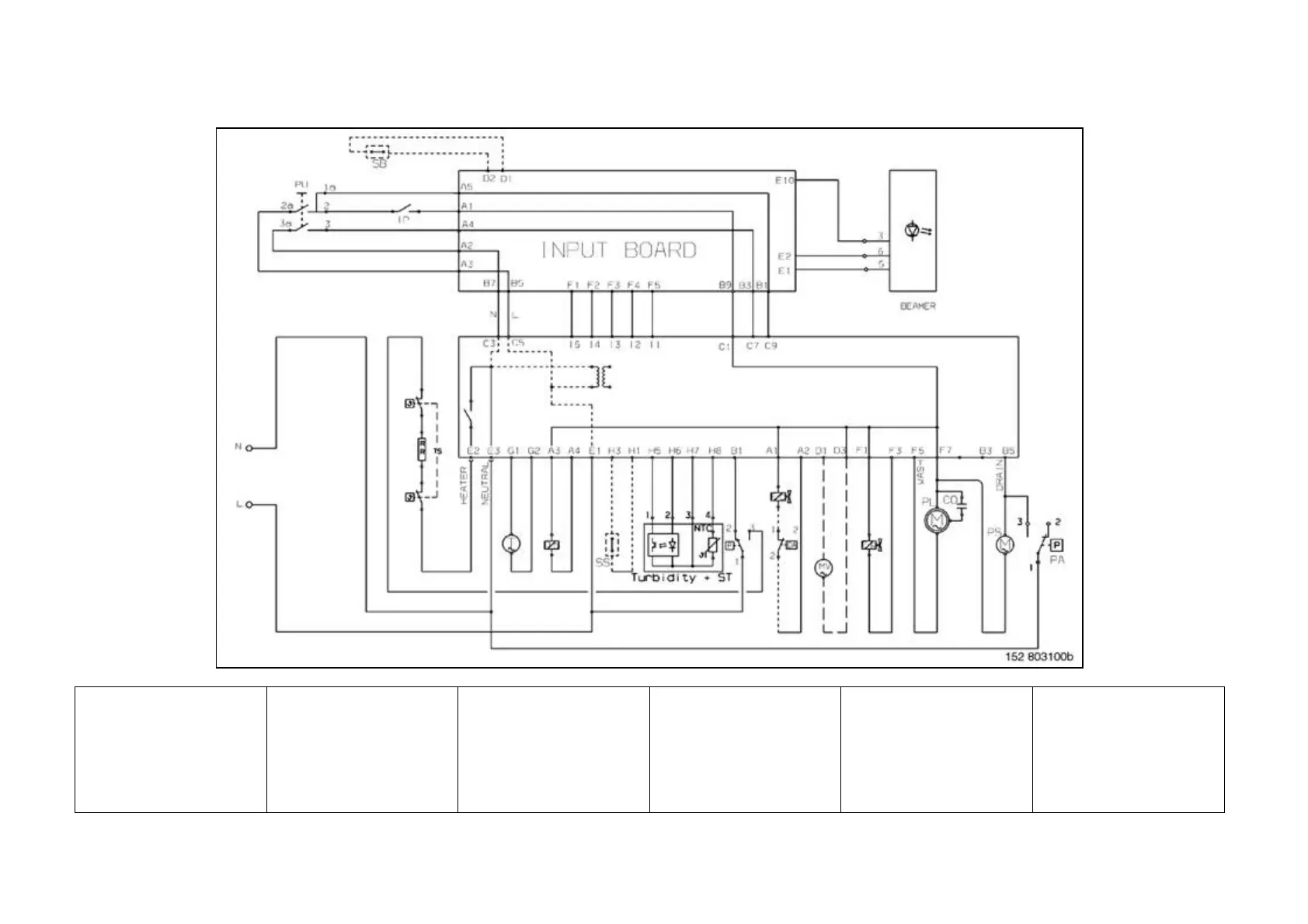
11 BASIC CIRCUIT DIAGRAM
AR = Orange
BI = White
BL = Blue
CE = Light blue
GI-VE = Yellow-green
MA = Brown
NE = Black
RO = Pink
VI = Violet
AA/DA = Anti-flooding device
CO = Capacitor
DD = Detergent/rinse-aid
dispenser
EC = Fill solenoid
ER = Regeneration solenoid
GA = Interference filter
IP = Door switch
MR = Terminal block
MV = Fan motor
PL = Wash pump
PS = Drain pump
PU = Button array
PR/RL = Level pressure switch
PA = Anti-overflow level switch
RR = Heating element
SB = Rinse-aid sensor
SS = Salt sensor
Turbidity = Turbidity sensor
ST = Temperature sensor
TAC/T = Tachometric generator
TS = Safety thermostat
Main Board = Main circuit board
User Interface = Display board

Table of Contents

Related product manuals