EasyManua.ls Logo

Electrolux Talkie - Component Checking Procedure

Electrolux Talkie
41 pages
Print Icon
To Next Page IconTo Next Page
To Next Page IconTo Next Page
To Previous Page IconTo Previous Page
To Previous Page IconTo Previous Page
Loading...
37
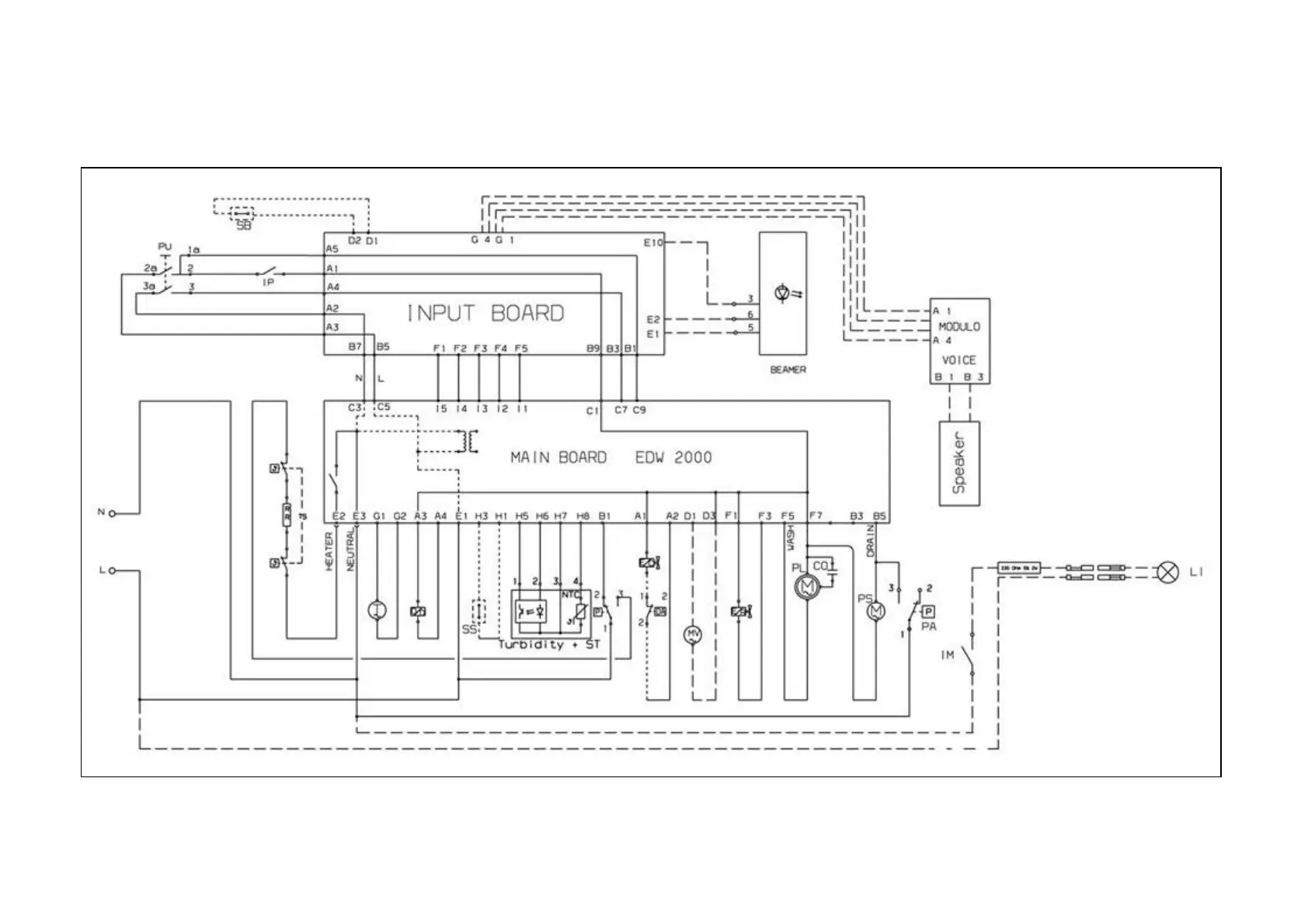
11.1 “Talkie”

Table of Contents

Related product manuals