EasyManua.ls Logo

Elegoo Mega2560 - Page 128

Elegoo Mega2560
224 pages
Print Icon
To Next Page IconTo Next Page
To Next Page IconTo Next Page
To Previous Page IconTo Previous Page
To Previous Page IconTo Previous Page
Loading...
128
/
223
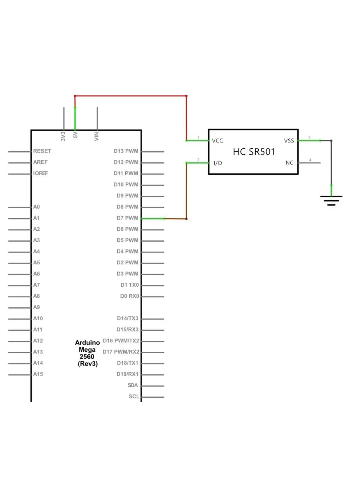
Connection
Schematic

Table of Contents