EasyManua.ls Logo

Elma T780 - Page 36

Default Icon
109 pages
Print Icon
To Next Page IconTo Next Page
To Next Page IconTo Next Page
To Previous Page IconTo Previous Page
To Previous Page IconTo Previous Page
Loading...
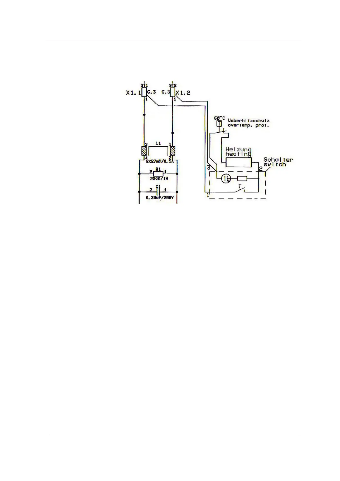
Faulty operating and switch elements
34
SM/Transsonic_LC/1104/D © Elma GmbH & Co KG
protection
red dotted line: cut silicone here to remove the overheating protection
interference filter heating
Illustration 8.5.2. Wiring of heating switch, here lighted model. For the
unlighted heating switch connection 3 is irrelevant.

Table of Contents

Related product manuals