EasyManua.ls Logo

Emerson MP155A4 - Page 105

Emerson MP155A4
182 pages
Print Icon
To Next Page IconTo Next Page
To Next Page IconTo Next Page
To Previous Page IconTo Previous Page
To Previous Page IconTo Previous Page
Loading...
Safety
Information
Product
information
Mechanical
Installation
Electrical
installation
Getting
started
Basic
parameters
Running the
motor
Optimization
SMARTCARD
operation
Onboard
PLC
Advanced
parameters
Technical
data
Diagnostics
UL
information
Mentor MP User Guide 105
Issue: 3 www.controltechniques.com
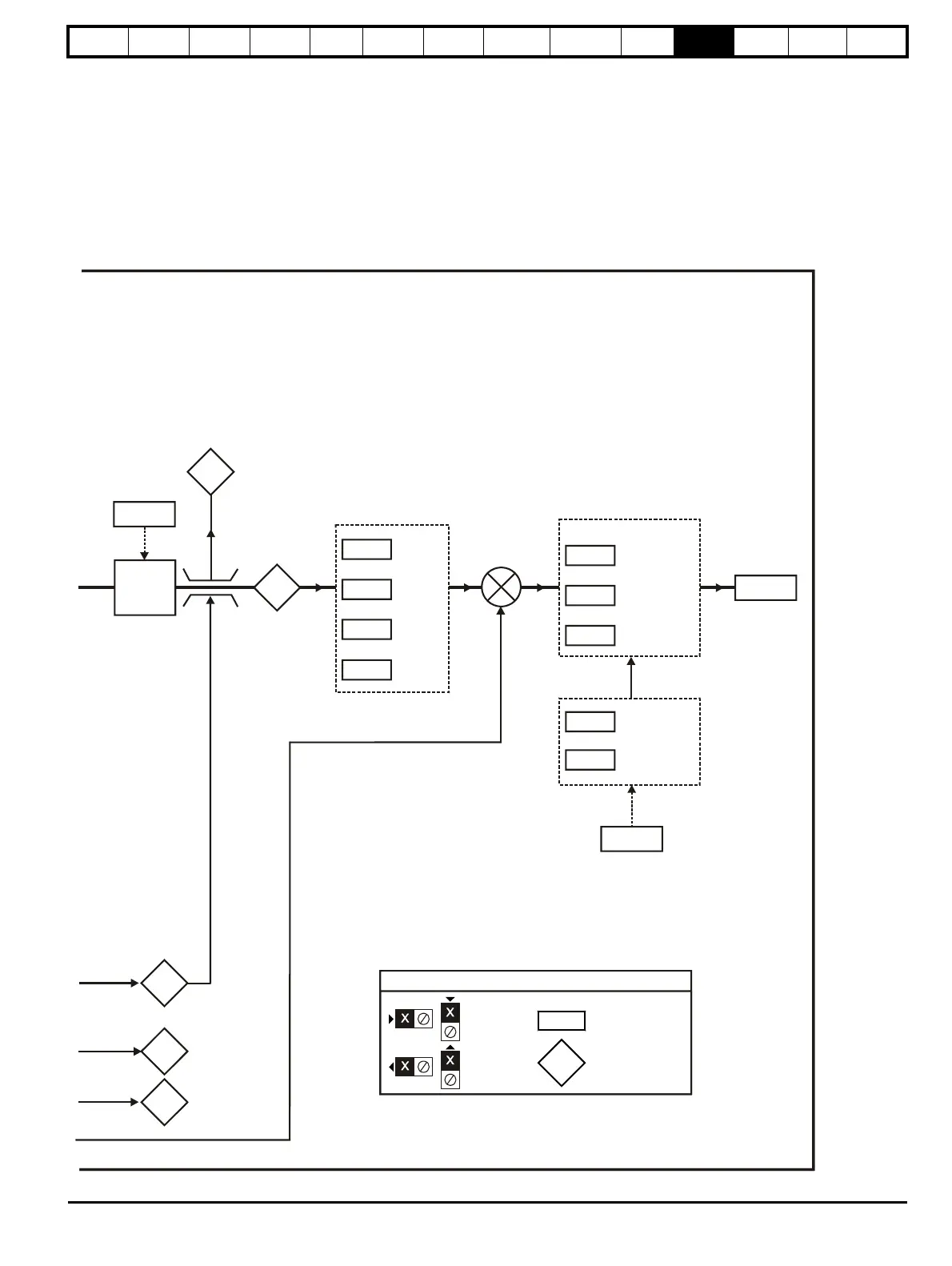
4.04
Current
demand
+
_
10.09
Current limit
active
indicator
Menu 5
0.XX
0.XX
Key
Read-write
(RW)
parameter
Read-only (RO)
parameter
Input
terminals
Output
terminals
The parameters are all shown at their default settings
Torque to
current
conversion
Current
demand
filter 1
4.12
Current
demand
filter 2
4.23
Slew rate
limit
4.33
Continuous
Kp gain
4.13
Continuous
Ki gain
4.14
Discontinuous
Ki gain
4.34
Current controller
Menu 5
Menu 5
4.18
10.17
4.19
Motor overload
accumulator
Motor current
overload alarm
indicator
Overriding
current limit
Motor
constant
5.15
Line
voltage
5.05
Drive
rating
11.32

Table of Contents

Related product manuals