EasyManua.ls Logo

Emerson Sempell series - Page 18

Emerson Sempell series
20 pages
Print Icon
To Next Page IconTo Next Page
To Next Page IconTo Next Page
To Previous Page IconTo Previous Page
To Previous Page IconTo Previous Page
Loading...
18
"Z"
E3
R2
D
S
H
B
A160
E1 E2
A1 A2
GG
P1
D1 D2
P2
D3
P3
A3
GY4
A
PR
Y1
PA
MB
P4
P5
MH
A
Y3
P
PA
Y2
R1 F
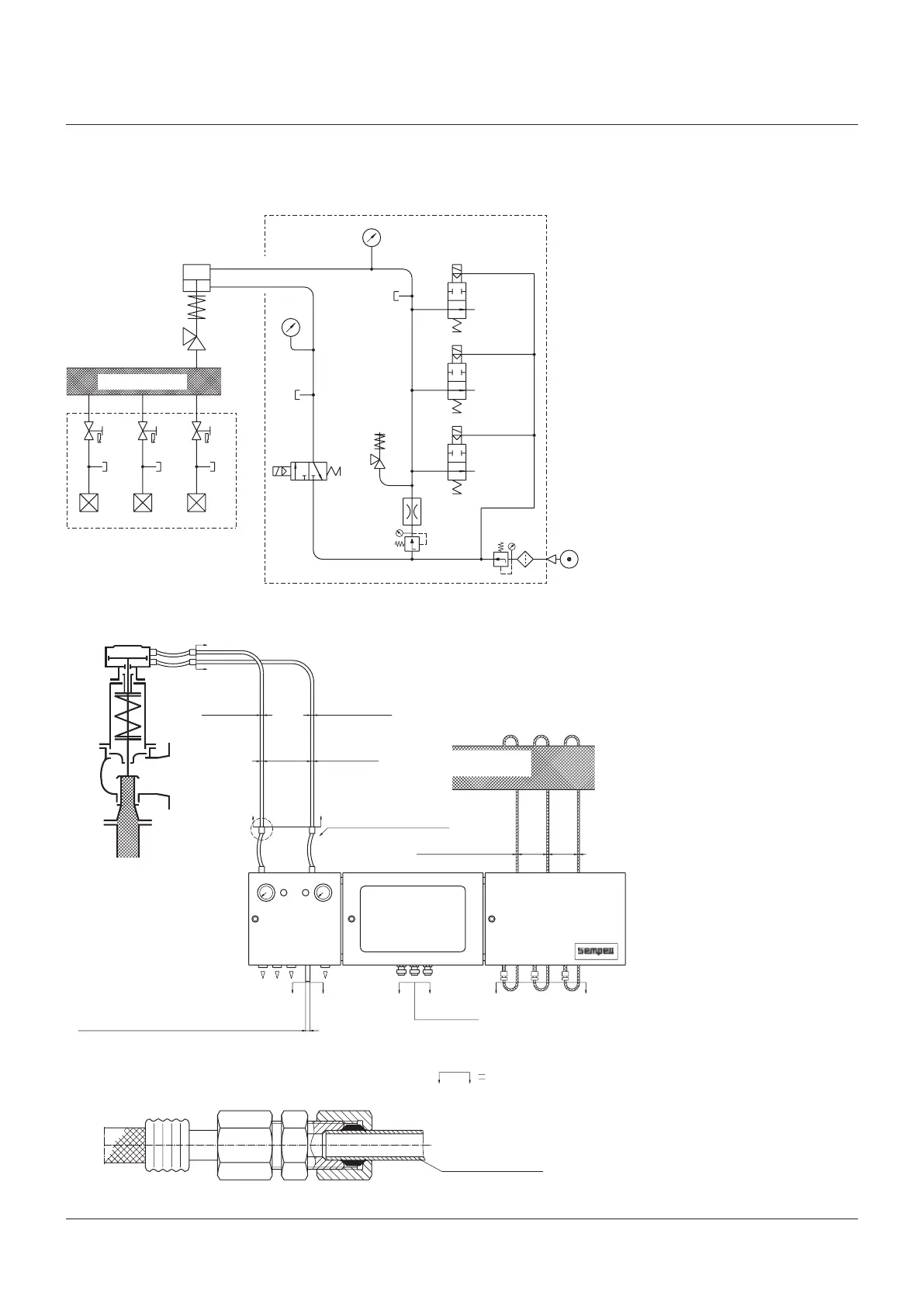
SEMPELL SERIES STE 4 CONTROL DEVICE FOR SAFETY VALVES
Operating instructiOns
SYSTEM CIRCUIT DIAGRAM
Design with pressure regulator R2 for increased lifting air pressure
SYSTEM CIRCUIT DIAGRAM
Pneumatic control unit A163
Loading air
Compressed-air
supply
Loading
Lifting
ø22 x 2 Pipe
Compressed air hose ø19 mm
Safety valve
Pipe ø22 x 2 on site
Detail “Z”
System
pressure
Sense line
Scope of supply
Air exhaust
Compressed air supply connection pipe ø22 x 2
Main supply
Lifting air
Safety valve
Pulse generating unit A161
System
NOTES
E1 - E3 Pressure sense line
A1 - A3 Shut-off valve
D1 - D3 Pressure switch
C Key
G Valve interlock
P1 - P5 Test connection
D Throttle
F Filter
B Cavity for loading
H Cavitye for lifting
Y1 - Y3 Solenoid valve (closed-circuit principle)
Y4 Solenoid valve (open-circuit principle)
MB Pressure gauge for loading
MH Pressure gauge for lifting (easing)
R1, R2 Pressure control valve
A160 Pneumatic actuator
S Safety valve

Other manuals for Emerson Sempell series

Related product manuals