EasyManua.ls Logo

Emos T105 - Kapcsolási Rajz

Emos T105
80 pages
Print Icon
To Next Page IconTo Next Page
To Next Page IconTo Next Page
To Previous Page IconTo Previous Page
To Previous Page IconTo Previous Page
Loading...
33
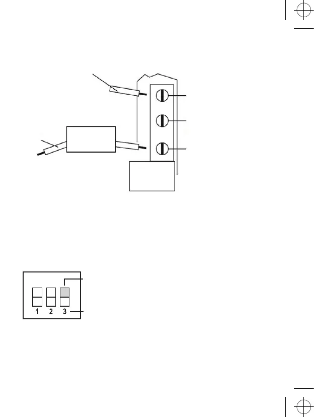
Kapcsolási rajz
Live - tápellátás csatlakozása
Neutral - nullvezető
Fűtés
vagy
hűtés
Max.5(3)A
COM - kapcsoló érintkezése
Földelés
NO - összekapcsolt érintkezés
A melegítési/klimatizációs rendszer kiválasztása
A rendszer kiválasztása előtt távolítsa el a vezérlőegység burkolatát. A vezérlőegység nyomtatott áramkörén DIP
típusú kapcsolók vannak. Ezt a 3 kapcsolót használjuk a szórás beállítására és a fűtési/klimatizációs rendszer közti
átkapcsolásra. Állítsa a DIP-kapcsolót (3. pozíció) attól függően, hogy a fűtési vagy a klimatizációs rendszert választja,
ahogy a következő diagram mutatja.
On
Bekapcsolva: fűtés
Kikapcsolva: klimatizáció

Related product manuals