EasyManua.ls Logo

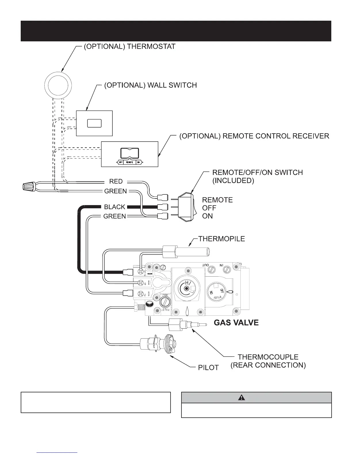
Empire DVCD42FP31P-2 - Millivolt Standing Pilot Wiring; Millivolt Standing Pilot Wiring Diagram

Empire DVCD42FP31P-2
96 pages
Print Icon
To Next Page IconTo Next Page
To Next Page IconTo Next Page
To Previous Page IconTo Previous Page
To Previous Page IconTo Previous Page
Loading...
36167-1-0316Page 70
Figure 78
MILLIVOLT STANDING PILOT WIRING DIAGRAM
CAUTION







Table of Contents

Related product manuals