EasyManua.ls Logo

Endless Pools FASTLANE PRO - Electrical Requirements for the United States (60 Hz)

Endless Pools FASTLANE PRO
50 pages
Print Icon
To Next Page IconTo Next Page
To Next Page IconTo Next Page
To Previous Page IconTo Previous Page
To Previous Page IconTo Previous Page
Loading...
Fastlane
®
Pro Swim Unit Installation
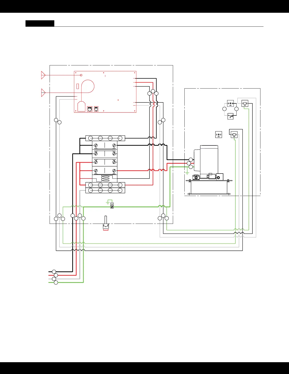
Section 11A ELECTRICAL REQUIREMENTS FOR THE UNITED STATES (60HZ)
(and countries with similar electrical requirements)
A Ground Fault Circuit Interrupter (GFCI) is required for this product. A GFCI is a device that shuts off
an electrical circuit when it detects that electricity is owing along an unintended path. The path could be
through a person or water. The purpose of this device is to reduce the chance of electrical shock. The Hy-
draulic Power Unit requires one single phase 220v 30amp GFCI protected service. All connections should
be made by a licensed electrician.
Line 1
Line 2
Neutral
Ground
Single
Phase
Input
Line 1
Line 2
Ground
Float
Level
Switch
Proportional
Valve
HYDRAULIC POWER UNIT
Hydraulic Power
Unit (HPU)
W
B
EP3 CONTROLLER
WIFI
DISPLAY
KEYPAD
LEARN
ANT1
LINE 1 IN
OIL SIG +
OIL SIG -
SWITCHED OUT
AUX
SOL -
SOL +
(NEUTRAL) LINE 2 IN
RF
Antenna
Wifi
A
ntenna
2T1
4R2
6R4
8T3
Contactor and
Terminal Blocks
1L1 NO
3R1 NC
7L3 NO
5R3 NC
A2 A1
W
W
W
W
WW
BB
B
B
B
B
B
B
R
R
R
R
G/Y
G/Y
G/Y
G/Y
B
G/Y
LEARN SW
GROUND
39

Related product manuals