EasyManua.ls Logo

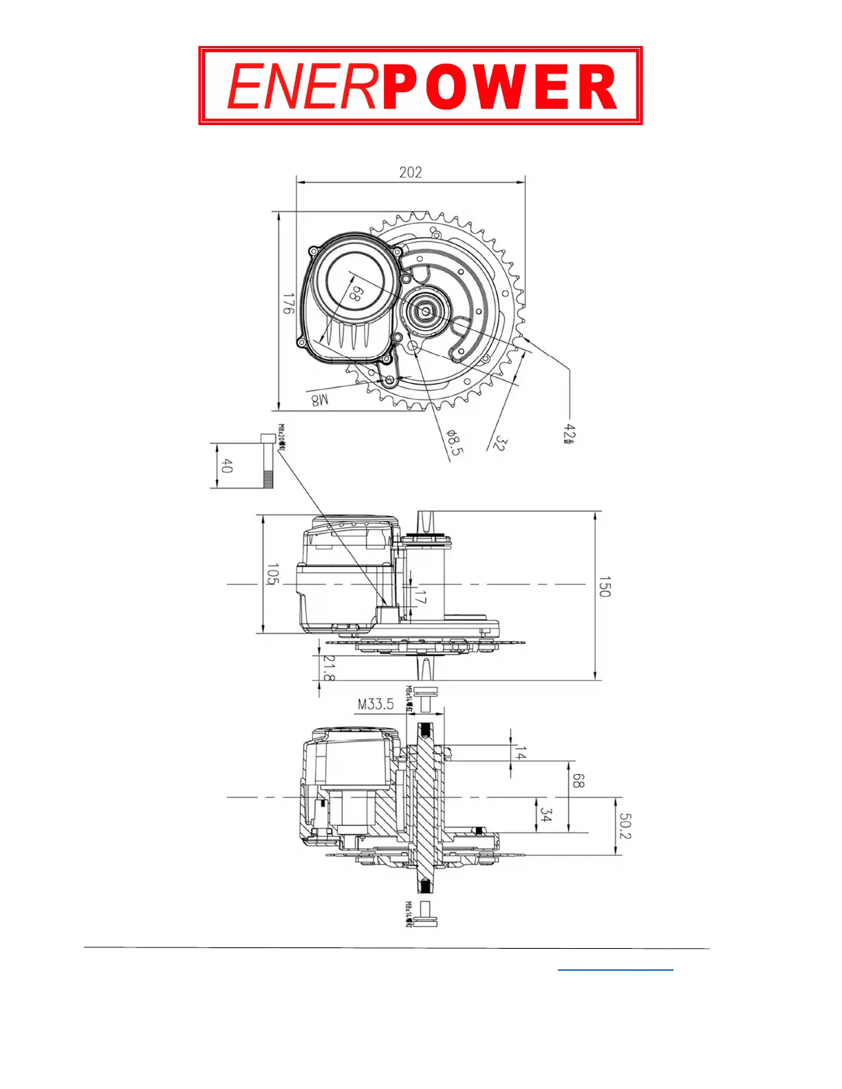
ENERpower TSDZ2 - 10 Motor Dimensions (in MM)

ENERpower TSDZ2
14 pages
Print Icon
To Next Page IconTo Next Page
To Next Page IconTo Next Page
To Previous Page IconTo Previous Page
To Previous Page IconTo Previous Page
Loading...
ENERdan GmbH | Max-Planck-Straße 7, D-12489 Berlin, Germany | www.enerpower.de
Tel: +49 (0) 30 5770 344 35 | Fax: +49 (0) 30 5770 344 39 | sales@enerdan.de
13
10. Motor Dimensions (in mm)

Related product manuals