EasyManua.ls Logo

ENERVEX Multiple Fireplace - General

ENERVEX Multiple Fireplace
23 pages
Print Icon
To Next Page IconTo Next Page
To Next Page IconTo Next Page
To Previous Page IconTo Previous Page
To Previous Page IconTo Previous Page
Loading...
14
3940011 12.12
EBC30
RSV
ABB
XTP2 Sensor
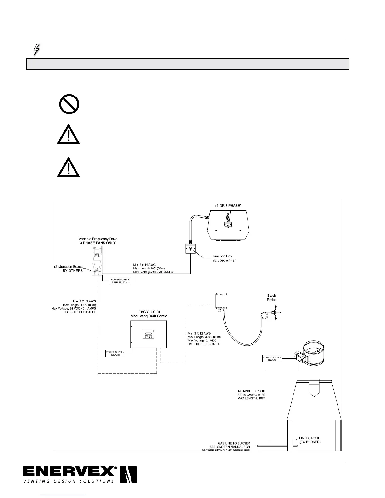
4.1 General
Danger: Turn off electrical power before servicing. Contact with live electric components can
cause shock or death.
EBC 30 is designed for 1x120VAC power supply only. Fan output is regulating on the neutral
side and cannot be connected to other circuits.
The wiring in is manual is in accordance with NFPA 70. All eld wiring must be installed in
exible or rigid metal conduit and comply with local codes, or in their absence, the National
Electric Code, NFPA 70.
4. ELECTRICAL CONNECTIONS AND INSTALLATIONS
Fig. 10