EasyManua.ls Logo

Engel MT60F-U1 - Wiring Diagram; Block Diagrams; Wiring Diagrams

Engel MT60F-U1
20 pages
Print Icon
To Next Page IconTo Next Page
To Next Page IconTo Next Page
To Previous Page IconTo Previous Page
To Previous Page IconTo Previous Page
Loading...
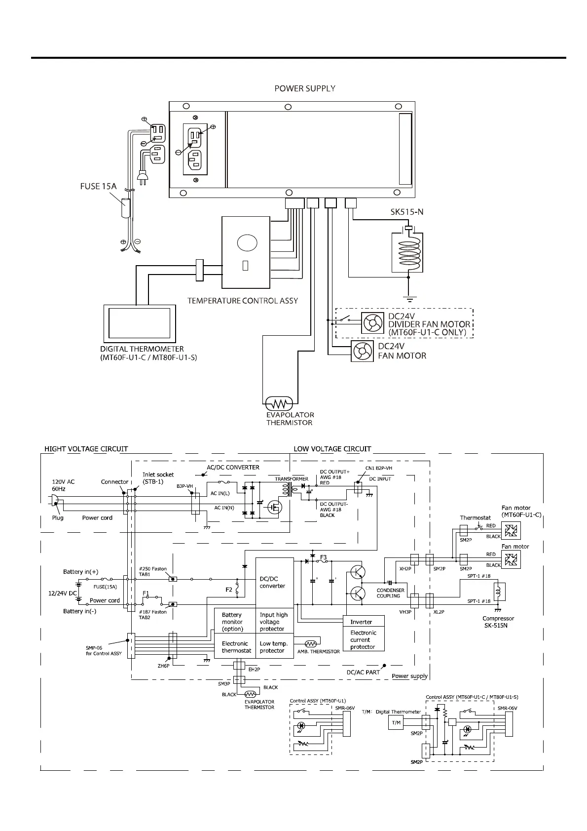
● Block Diagrams
● Wiring Diagrams
2. WIRING DIAGRAM
4

Related product manuals