EasyManua.ls Logo

Enviro EF-II I - Through-Wall Venting Details

Enviro EF-II I
31 pages
Print Icon
To Next Page IconTo Next Page
To Next Page IconTo Next Page
To Previous Page IconTo Previous Page
To Previous Page IconTo Previous Page
Loading...
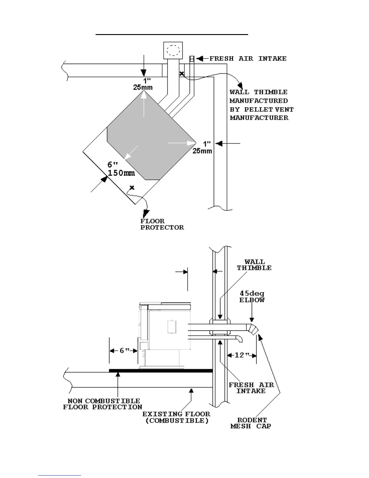
THROUGH WALL INSTALLATION
1”
20

Related product manuals