EasyManua.ls Logo

ermaf P 40 - Ignition System; Orifice

ermaf P 40
29 pages
Print Icon
To Next Page IconTo Next Page
To Next Page IconTo Next Page
To Previous Page IconTo Previous Page
To Previous Page IconTo Previous Page
Loading...
10 Fitting Instructions Page 24
Ignition System
The ignition system is a vital part of your oil-fired air heater. Its function is to light the oil coming out of
the nozzle, and it must be capable of doing so under adverse conditions such as extreme cold. It is
therefore very important that it is properly adjusted. If the ignition system is badly adjusted, the ignition
spark may form in the wrong place or may not form at all. This will cause the heater to lock out.
If you look in at the front when the heater is activated, you should be able to see the ignition system
come into operation. Between the two ignition electrodes a well-defined spark should be visible. Under
the influence of the air current, the spark should form in front of the nozzle. If you can see a strong
spark and it is in the right place, the ignition system should function properly.
If the ignition electrodes should ever need adjusting, adjust them very carefully, because if the
electrodes porcelain sleeving breaks or cracks, they will have to be replaced.
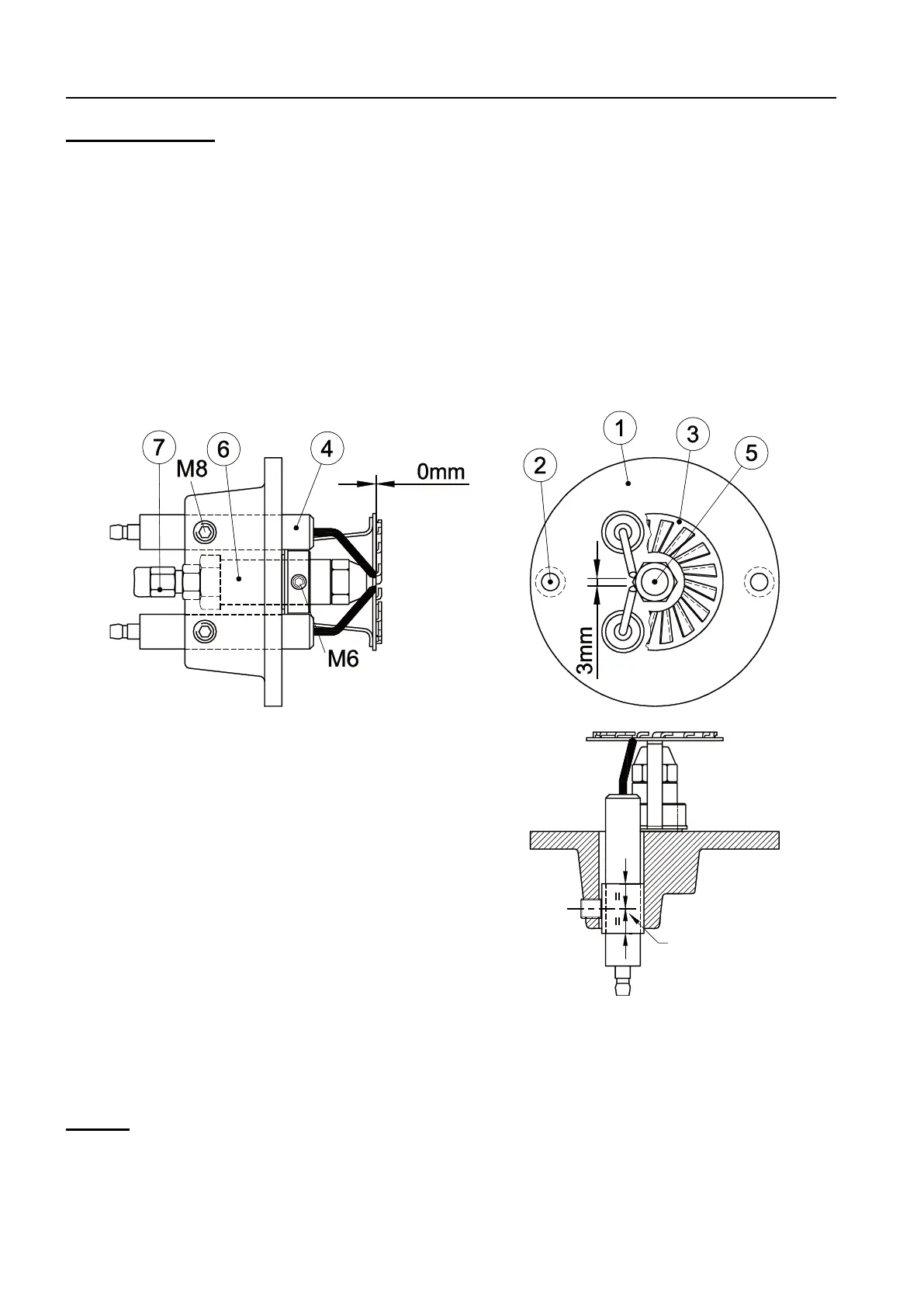
The diagram shows how the ignition system should be adjusted.
1 Aluminium combustion head ………………….. N51400004
2 Combustion head bolt holes
3 Orifice ……………………………………………. N51401005
4 Ignition electrodes 65 x 14 …………………….. N51400008
5 Oil atomising nozzle ……………………………. See chapter 10
6 Nozzle block …………………………..........…… N51400161
7 Serto nipple 1/8” x 4 …………………....…………N52990162
Combustion head excl nozzle petrol/diesel …… N51400278
Orifice
The orifice is attached to the nozzle block (see upper diagram)
The orifice ensures that the fuel and air are thoroughly mixed and trained to form a spiral jet.
If the heater is used in a particularly dusty area, the orifice can become very dirty. This in turn can lead
to combustion problems. The orifice should therefore be cleaned with a wire brush so that its blades are
free of dirt. After cleaning, check that the whole combustion head assembly is properly adjusted before
replacing it.
Petrol and diesel
Center in the
middle

Related product manuals