EasyManua.ls Logo

ERVOR G05 - Page 37

ERVOR G05
42 pages
Print Icon
To Next Page IconTo Next Page
To Next Page IconTo Next Page
To Previous Page IconTo Previous Page
To Previous Page IconTo Previous Page
Loading...
Page 37
Notice G05 - 3 590 503
Issue: 11/2011 - Rev.A
ERVOR (SCA) - 6, Rue Désiré Granet - Z.I. du Val d'Argent - 95100 ARGENTEUIL FRANCE
(33) 01 34 11 50 00 (33) 01 34 11 50 10
Web : www.ervor.com - Email : info@ervor.com
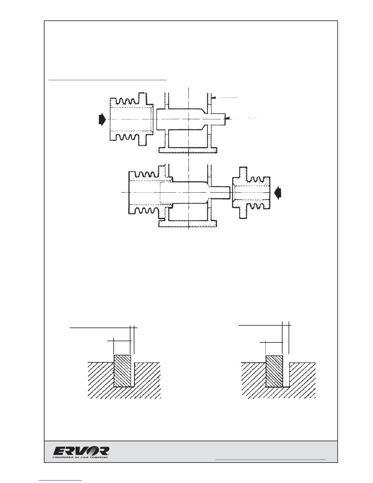
0.05mm maxi
0.01mm to 0.02mm
PISTON RING
WEARING READING
MOUNTING PLAY
PISTON RING
2nd STAGE
CRANK CASE
CYLINDER
CYLINDER
1st STAGE
1st STEP
2nd STEP
MOUNTING OF PISTON IN CYLINDER
PISTON MOUNTED

Table of Contents

Related product manuals