EasyManua.ls Logo

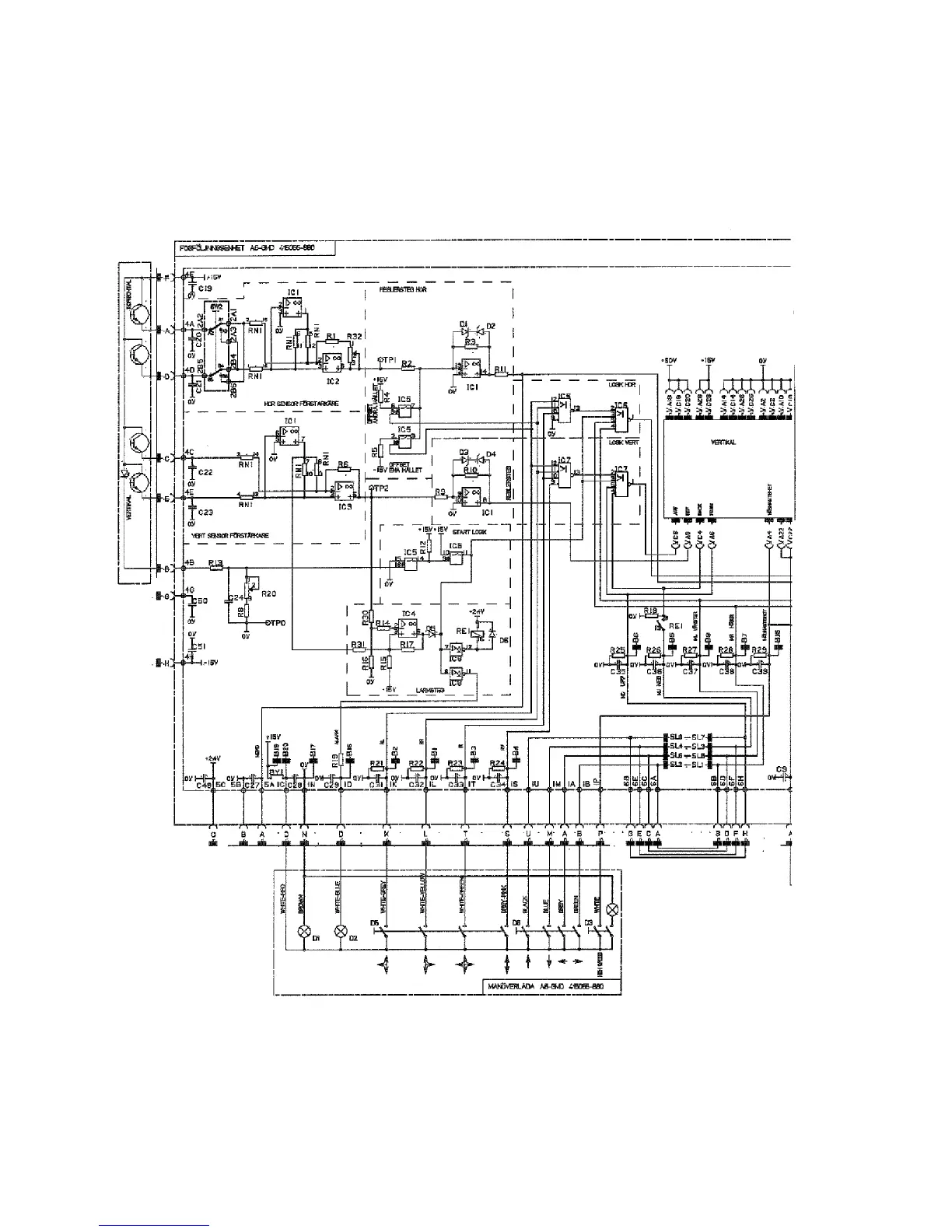
ESAB A6 GMD - Diagram

ESAB A6 GMD
36 pages
Print Icon
To Next Page IconTo Next Page
To Next Page IconTo Next Page
To Previous Page IconTo Previous Page
To Previous Page IconTo Previous Page
Loading...
dga9ep01
-- 1 6 --
cga9d1ea
DIAGRAM

Related product manuals