EasyManua.ls Logo

ESAB A6 GMD - Page 31

ESAB A6 GMD
36 pages
Print Icon
To Next Page IconTo Next Page
To Next Page IconTo Next Page
To Previous Page IconTo Previous Page
To Previous Page IconTo Previous Page
Loading...
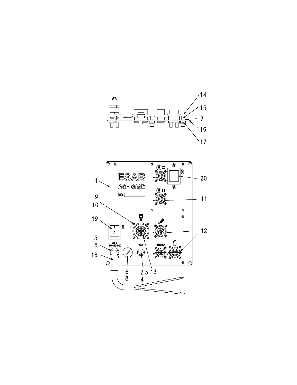
Reservdelsförteckning -- Spare parts list -- Ersatzteilverzeichnis -- Liste de pècees détachèes
-- 3 1 --
s417630

Related product manuals