EasyManua.ls Logo

ESAB ESP-400C - Page 86

ESAB ESP-400C
120 pages
Print Icon
To Next Page IconTo Next Page
To Next Page IconTo Next Page
To Previous Page IconTo Previous Page
To Previous Page IconTo Previous Page
Loading...
SECTION 6 Troubleshooting
ESP 400C and 600C Plasma Power Sources
6-48
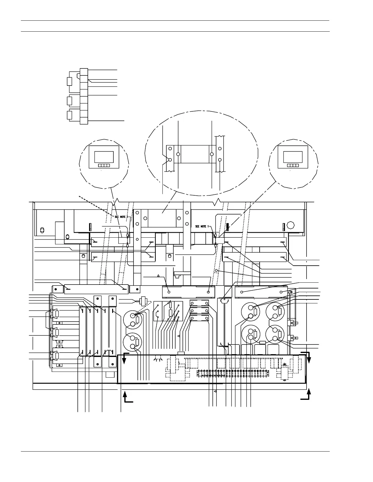
6.8 Wiring Diagrams – 575V 60H
z
Drawing 3 (P/N 35880)
R30-1 BLU
POS PLATE BLU
D29/D30 BUS WHT
R31-2 GRY
ELECTRODE PLATE GRY
D31-A BLK
T1-BX7 BRN
D21-1 ORN
D22-1 ORN
D22-2 BRN
D21-2 BRN
TB11-8 RED
C29(-) GRY
R22-2 BLK
R14
R15
1
2
1
2
F3
F4
1
1
2
2
R16-2 (SPLICE) BLK
TD2
C29
C28
C27
C30
+
+
+
1
2
R38 R43
R42 R41
R44
GRY
R31
R30
1
1
2
2
F5
F6
F7
1
1
2
2
12
T3
T2
T1
L3
L2
L1
A
B
K4
BLK
C31 R37
R18-1 ORN
C29(+) VIO
T1-BX5 BLU
C29 (+) VIO
C28 (+) BLU
R31-1 VIO
F6-2 VIO
K4-T2 WHT
K4-T1 YEL
R19-1 BRN
TB7-5 BRN
R24-1 VIO
T1-AX5 BLU
TB10 YEL
C30-1 YEL
R18-2 WHT
C30-2 WHT
D32-A ORN
PCB1 P2-5 YEL
C26-1 ORN
S1-5 BLK
R23-2 RED
R29-1 RED
POS PLATE RED
R29-2 BLU
C36-2 BLU
R22-1 BLU
C36-1 ORN
C35-1 BRN
C34-1 YEL
C33(+) RED
ELECTRODE PLATE YEL
C33
C32
BLK
R39
R40
+
+
RED
1
1
1
1
1
2
2
2
2
2
R27
R26 R25 R29
R28
R27-1 ORN
C32(-) BLU
R26-1 BRN
R25-1 YEL
C32(-) BLU
D33 BUS GRY
POS PLATE RED
D35-C VIO
D34-A BLK
BLK
R34
R35
R36
1
1
2
1
2
2
C34
C35
C36
F6-1 VIO
S1-6 BRN
D19-2 BRN
D19-1 ORN
D20-1 ORN
D20-2 BRN
1
1
2
2
R12
R13
TD1
ELECTRODE PLATE (SPLICE) GRY
R17-2 (SPLICE) BLK
R21-1 VIO
R27-2 VIO
D35
T1-CX5 BRN
ELECTRODE PLATE (SPLICE) GRY
(-)
(+)
SH1
3
SH1(-)
(+)
PCB1 P1-1 CLR (TP)
TB1-15 RED(TP)
TB11-1 BLU
PCB1 P1-3 SHLD
PCB1 P1-2 BLK(TP)
TB1-16 BLK(TP)
TD1
1 2 3 4
P1
1 PCB1 P7-1 BLK
2 PCB1 P7-4 RED
3 PCB1 P7-2 GRN
4 PCB1 P7-3 WHT
P1
1 PCB1 P7-5 BLK
2 PCB1 P7-8 RED
3 PCB1 P7-6 GRN
4 PCB1 P7-7 WHT
1 2 3 4
TD2
P1
P1
R59
R63
R58
BLK
1
2
3
4
5
6
7
8
TB11
SHT BUS POS BLU
PCB1 P9-12 YEL
L2-X4 YEL
L2-X3 YEL
PCB1 P9-13 YEL
RIGHT COLLECTOR BUS RED
Note: Wires on shunt
(+) and (-) must be
dressed in location and
direction shown.
Note1:
Splice must pass through
transducers TD1 and TD2 in
direction shown.
H
J
H
J
VIEW E-E
PCB4 P1-4 BLU
R16-1 WHT
Note: From ESP-400C/600C//575V
Drawing No. 0558002852, sheet 3 of 5
OR

Table of Contents

Related product manuals