EasyManua.ls Logo

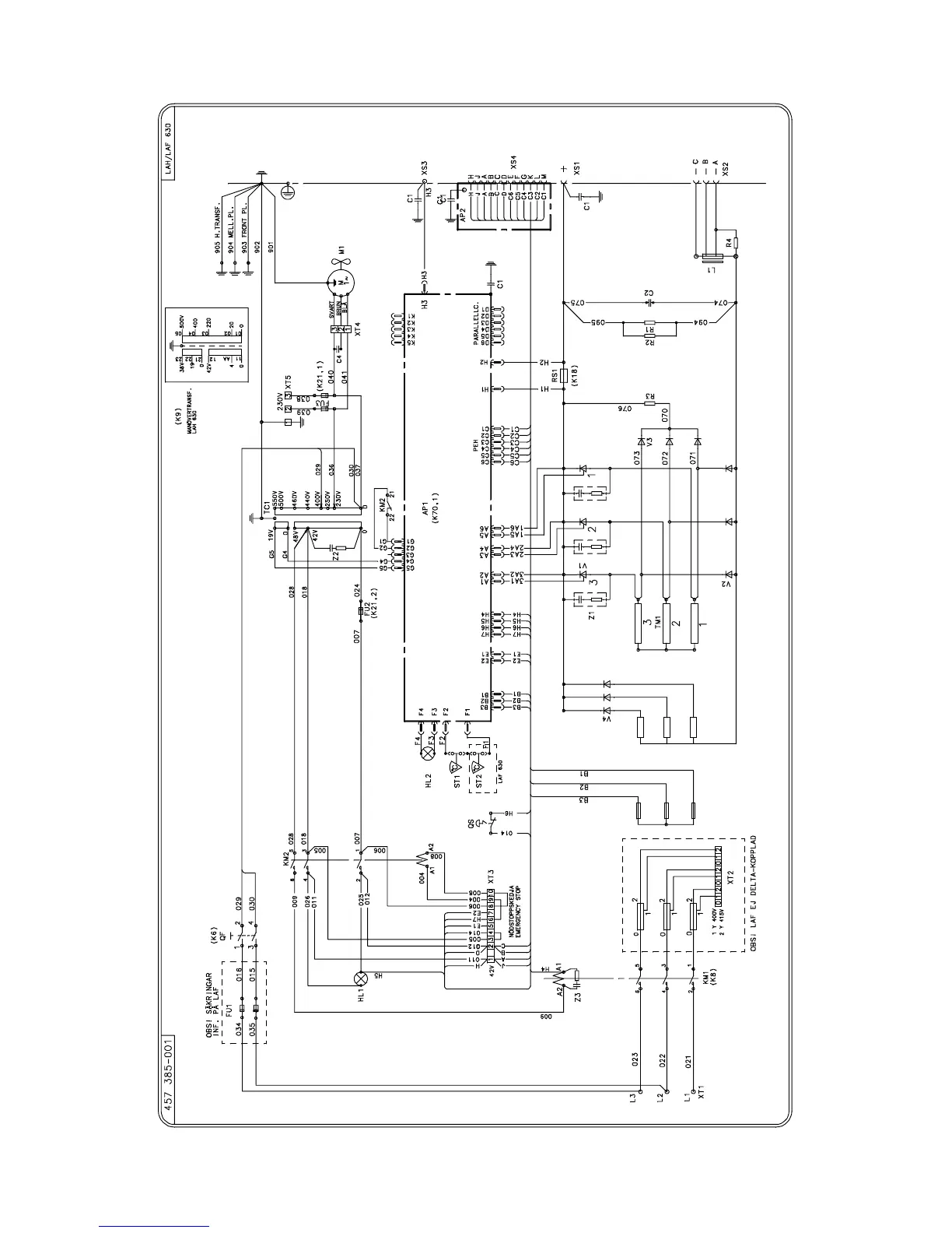
ESAB LAE1000 - Electrical Schema Diagram

ESAB LAE1000
Print Icon
To Next Page IconTo Next Page
To Next Page IconTo Next Page
To Previous Page IconTo Previous Page
To Previous Page IconTo Previous Page
Loading...
Schema Diagram
-- 2 6 --
dia3e11a

Related product manuals