EasyManua.ls Logo

ESAB Warrior Feed 304 - Page 20

ESAB Warrior Feed 304
32 pages
Print Icon
To Next Page IconTo Next Page
To Next Page IconTo Next Page
To Previous Page IconTo Previous Page
To Previous Page IconTo Previous Page
Loading...
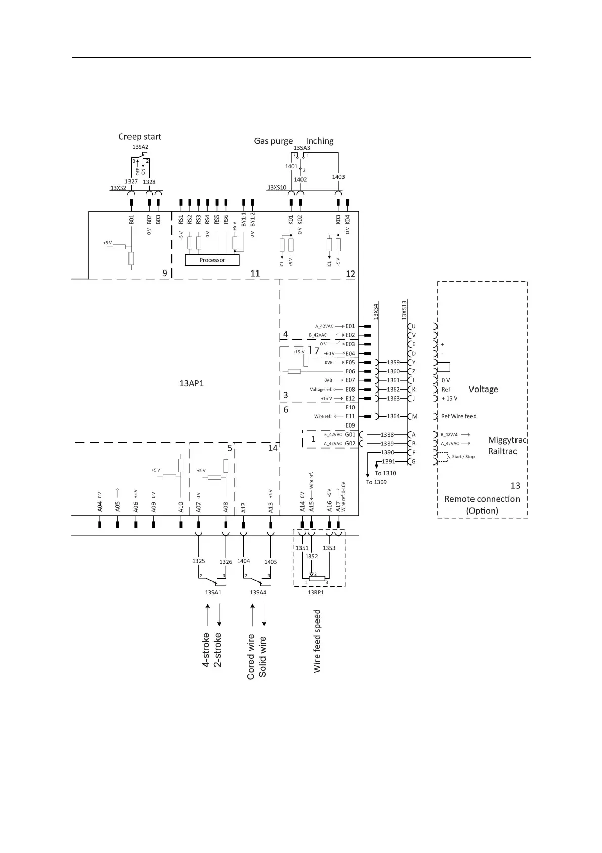
DIAGRAM
0463 363 101
- 20 -
© ESAB AB 2019

Related product manuals