EasyManua.ls Logo

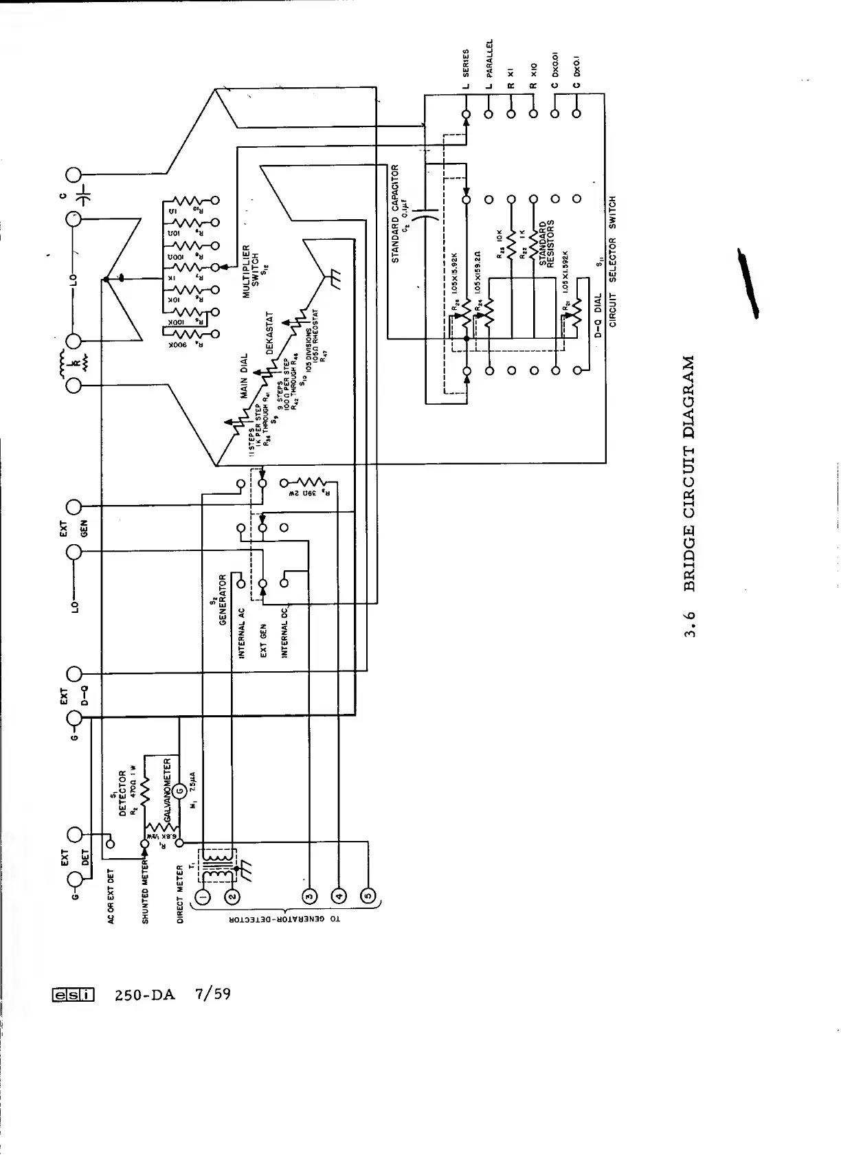
ESI 250-DA - Detailed Bridge Circuit Diagram

ESI 250-DA
75 pages
Print Icon
To Next Page IconTo Next Page
To Next Page IconTo Next Page
To Previous Page IconTo Previous Page
To Previous Page IconTo Previous Page
Loading...
[aim
250
-da
7/59

Related product manuals