EasyManua.ls Logo

ETATRON D.S. HD-PH - Page 32

Default Icon
Print Icon
To Next Page IconTo Next Page
To Next Page IconTo Next Page
To Previous Page IconTo Previous Page
To Previous Page IconTo Previous Page
Loading...
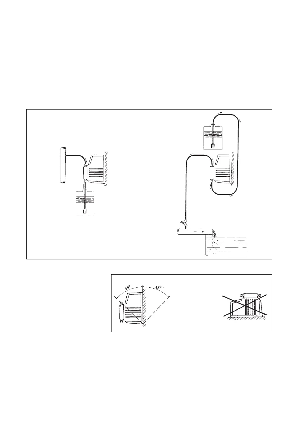
c. Locate the pump as shown in Figure 4 bearing in mind that it may be installed
either below or above the level of the liquid to be dosed, though the level differ-
ence should not exceed 2 metres. When the plant in which the pump is installed
is operating at atmospheric pressure (additive freely discharged) and the addi-
tive tank is situated above the plant fig. 4a), the condition of the injection valve
should be checked at regular intervals, because excessive wear and tear could
cause additive to drip into the plant even when the pump is shut down. If the
problem persist, install a properly calibrate counter-pressure valve (C) between
injection point and the valve. In the case of liquids that give rise to aggressive
vapours, do not install the pump above the storage tank unless the latter is her-
metically sealed.
d. Install the pump in
position that does not
deviate from the verti-
cal by more than 45°
(Figure 5), fixing it
either to a wall or some
other vertical support
with the help of screws
passing through the 4.5
mm dia. holes provided along the outer rim of the pump body.
e. The delivery connector, starting point of the hose that discharges the additive
into the plant, will always remain in the upper part of the pump. The suction
connector, which serves to attach the hose (with filter) leading into the liquid
storage tank, will therefore always be situated in the lower part of the pump.
f. Remove the protection caps from the two connectors, slide the hoses over the
connectors, pushing them right home, and then fix them with appropriate clips
32
ENG
fig.4
fig.5
fig.4a
C

Table of Contents

Related product manuals