EasyManua.ls Logo

ETATRON D.S. HD-PH - HD-RX (Commissioning the Pump)

Default Icon
Print Icon
To Next Page IconTo Next Page
To Next Page IconTo Next Page
To Previous Page IconTo Previous Page
To Previous Page IconTo Previous Page
Loading...
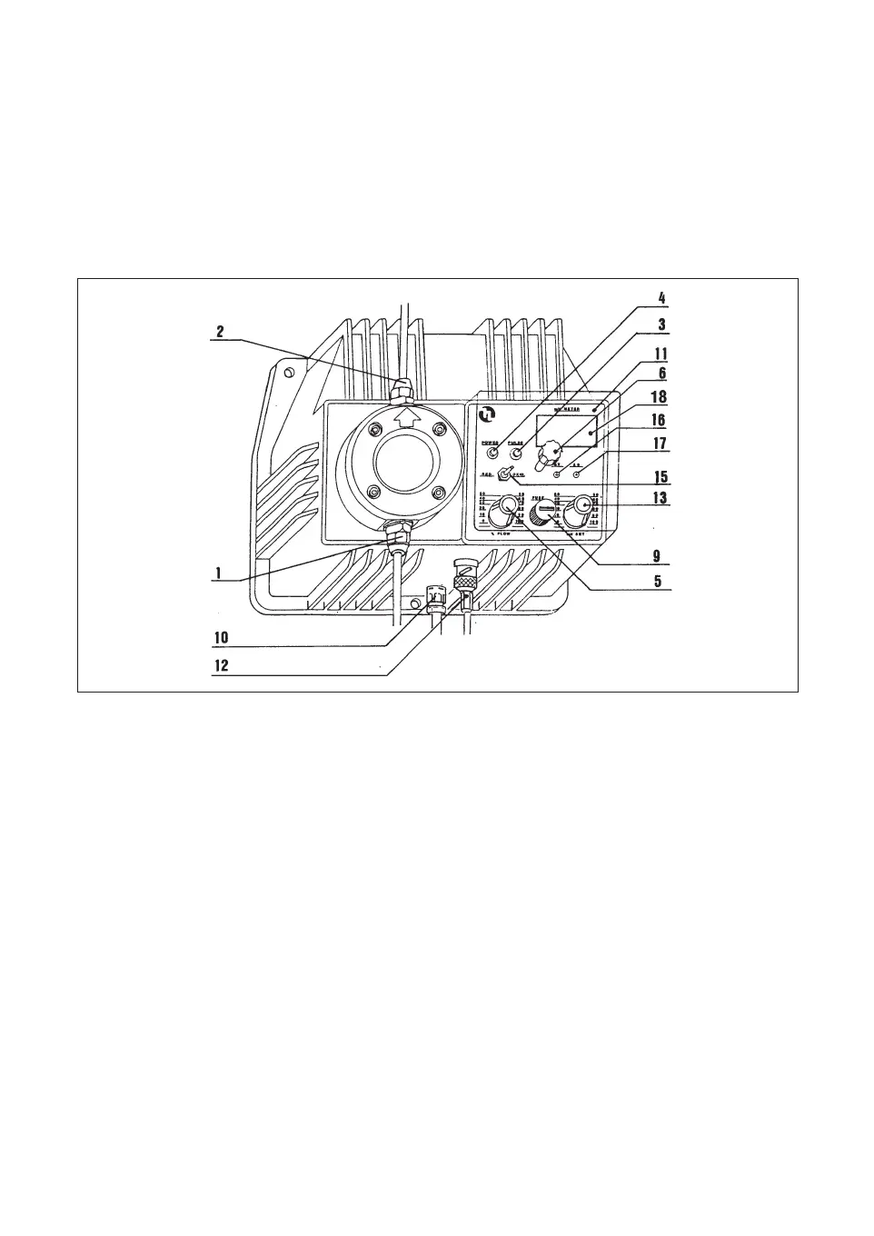
8.3 HD-RX (COMMISSIONING THE PUMP)
1 Suction hose connector nipple 11 Control panel
2 Delivery hose connector nipple 12 Electrode cable connector
3 Stroke Led, red 13 Set-point selector “mV set”
4 Power Led, green 15 Red/oxid switch
5Injection frequency regulation knob 16 Calibration trimmer “/mV”
6Front cover fixing screw 17 Calibration trimmer “
0”
9 Fuse 18 Display
10 Supply cable
a. Install the metering pump as described in Chapter 6.0 "PUMP INSTALLATION
".
b. Place the electrode in the electrode holder.
c. Connect the electrode to the metering pump by means of the male BNC connec-
tor (12), rotating it through 90°C.
d. Position the "mV set" knob (13) to the desired Rx value, bearing in mind that the
scale dimensions are such as to give rise to possible slight discordances
between the intervention point and the reading on the display (18). For exam-
ple, if the "mV set" knob is set to 700 mV and one then notes that pump has not
yet come into operation 720 mV, it would be desirable to carry out a check and,
if necessary, correct the set point by adjusting the "mV set" knob.
e. Use the "RED/OXID" switch (15) to select the required type of intervention
(reduction or oxidation). In this case the following must be taken into account,
an oxidant product increase the value and a reductant product decreas the
value. Example: If the intervention point is set at 700 mV and an oxidation is
required, set the switch to OXID. The pump will then start dosing the additive
every time the solution potential drops below 700 mV. If it is desired to perform
a reducing action, set the switch to RED, in which case the pump will come into
operation every time the solution potential rises above 700 mV. Bear in mind
that Redox measurements are affected by pH variations; if this factor is subject
to considerable oscillations, we would advise you either to supplement the HD-
38
ENG
fig.10

Table of Contents

Related product manuals