EasyManua.ls Logo

EUCHNER EKS - Technical data; Dimension drawing of Electronic-Key adapter

EUCHNER EKS
44 pages
Print Icon
To Next Page IconTo Next Page
To Next Page IconTo Next Page
To Previous Page IconTo Previous Page
To Previous Page IconTo Previous Page
Loading...
Manual EKS Electronic-Key Adapter USB
094485-04-11/13 Subject to technical modifications Page 11/44
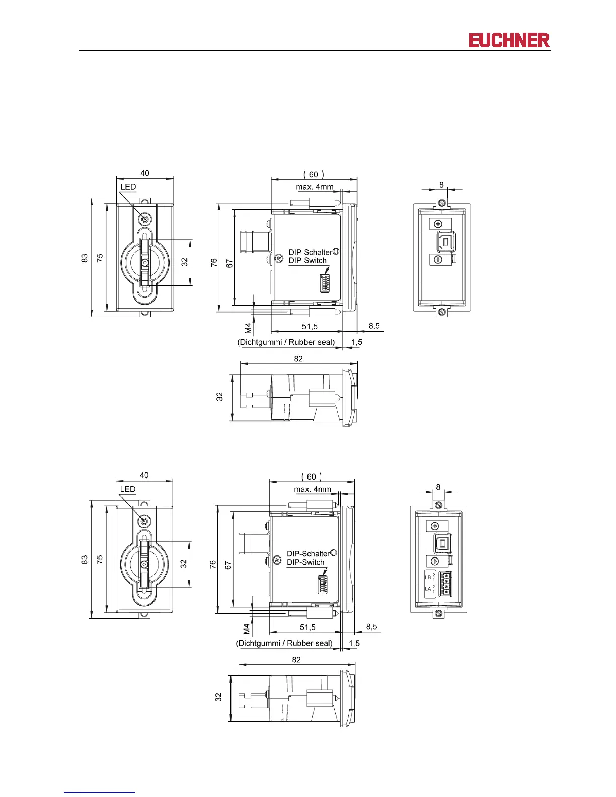
4 Technical data
4.1 Dimension drawing of Electronic-Key adapter
For installation in a control panel you must provide a cut-out 33 mm x 68 mm according to DIN 43700.
4.1.1 Version EKS-A-IUX-G01-ST01 with USB interface
4.1.2 Version EKS-A-IUXA-G01-ST01/04 (EKS FSA) with USB interface

Table of Contents

Related product manuals