EasyManua.ls Logo

EUCHNER EKS - Connection example without enabling switch

EUCHNER EKS
44 pages
Print Icon
To Next Page IconTo Next Page
To Next Page IconTo Next Page
To Previous Page IconTo Previous Page
To Previous Page IconTo Previous Page
Loading...
Manual EKS Electronic-Key Adapter USB
094485-04-11/13 Subject to technical modifications Page 19/44
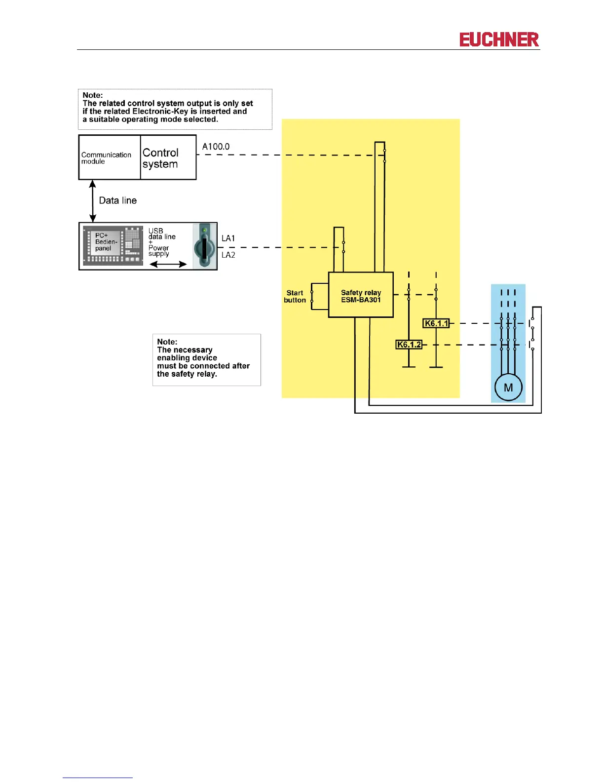
6.2.2 Connection example without enabling switch
Figure: Principle of operation (illustration with selected operating mode and all components in actuated position)
6.2.2.1 Description of the application example without enabling switch
The danger area on a machine is secured with a fence. To make set-up work on the machine possible with the
safety door open, an EKS FSA system is integrated in conjunction with a control system and a safety relay. The
safety relay must comply with the following requirements:
Detection of short-circuits and earth faults. A short-circuit can be detected in the safety path in the circuit
described due to the fact that both the positive path and earth path of the safety relay are switched. In this
case, the safety relay deactivates its safety outputs.
Simultaneity monitoring: The safety relay must detect whether the safety inputs are switched practically
simultaneously. If this is not the case, the safety outputs are not switched and the unit switches to fault
state. A renewed start is possible only after the key has been inserted again.
Start button monitoring: The safety relay must detect when the start button is welded or jammed at the latest
at the next start. If this is the case, the safety outputs are not switched and the unit switches to fault state.
This prevents accidental starting of the system.
The switching contact LA1/LA2 is closed after the insertion of the Electronic-Key. The EKS FSA is coupled with
a PC. After the insertion of the Electronic-Key, the control system checks whether the key is authorized for work
in the selected operating mode. If this is not the case, the operating mode cannot be set. If suitable access
rights are available, the control system gives the instruction to the switching contact A100.0 to close.
The switching contact LA1/LA2 of the EKS FSA is connected to the first input on the safety relay. The switching
contact A100.0 on the control system is connected to the second input on the safety relay. The control contact
A100.0 and the switching contact LA1/LA2 are monitored for simultaneity.

Table of Contents

Related product manuals