EasyManua.ls Logo

EUCHNER EKS - Circuit diagram

EUCHNER EKS
44 pages
Print Icon
To Next Page IconTo Next Page
To Next Page IconTo Next Page
To Previous Page IconTo Previous Page
To Previous Page IconTo Previous Page
Loading...
Manual EKS Electronic-Key Adapter USB
094485-04-11/13 Subject to technical modifications Page 21/44
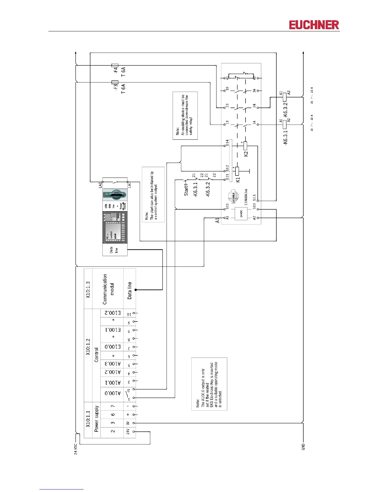
6.2.2.4 Circuit diagram
Figure: Circuit diagram without enabling switch

Table of Contents

Related product manuals