EasyManua.ls Logo

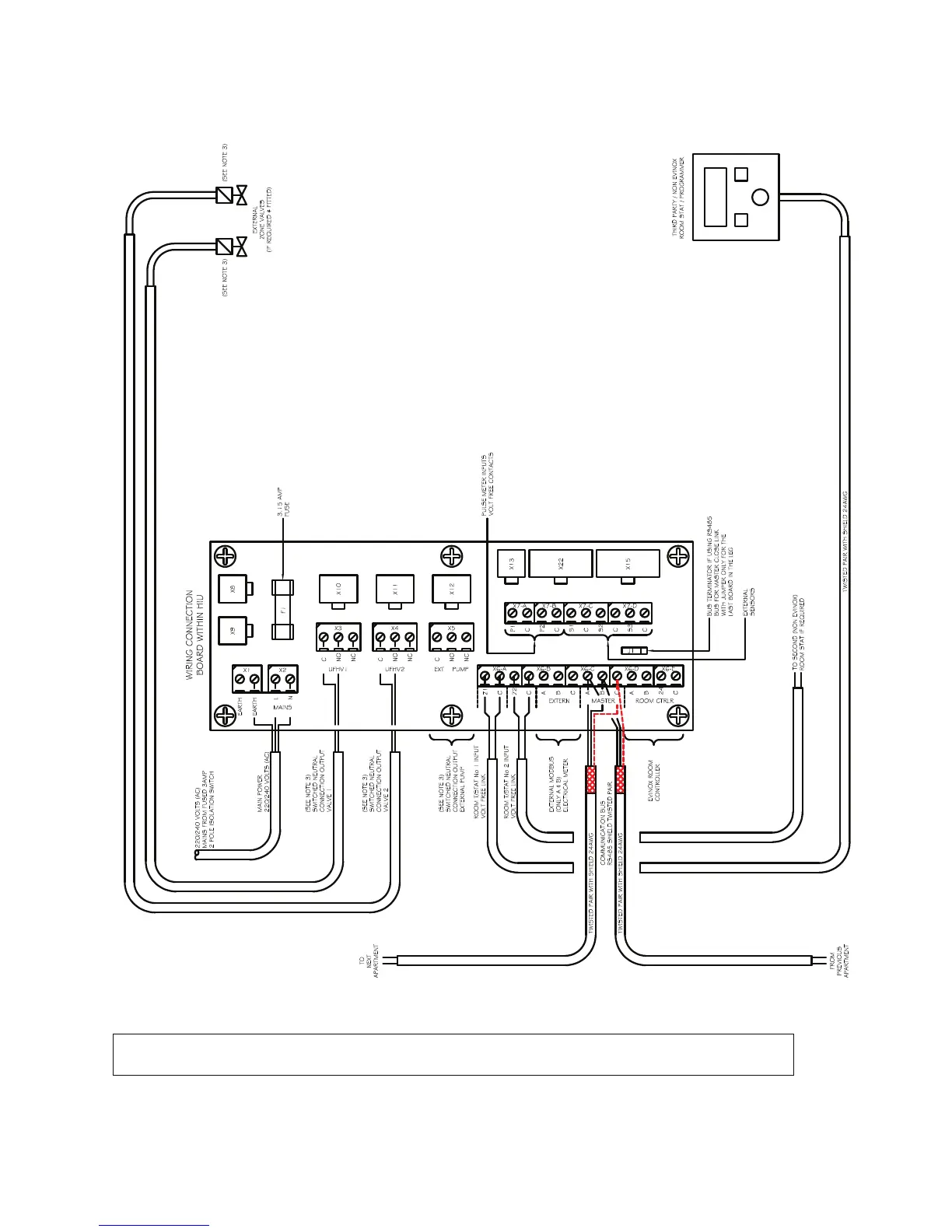
Evinox ModuSat TP 40-10 - Typical Wiring Diagram with 3 Rd Party Room Stat

Evinox ModuSat TP 40-10
45 pages
Print Icon
To Next Page IconTo Next Page
To Next Page IconTo Next Page
To Previous Page IconTo Previous Page
To Previous Page IconTo Previous Page
Loading...
36
5.6 Typical Wiring Diagram with 3
rd
Party Room Stat
Note 3: Pumps & valves must have localized power supply. Switched neutral connection to be fitted with 1 amp
in-line fuse on neutral cable.