EasyManua.ls Logo

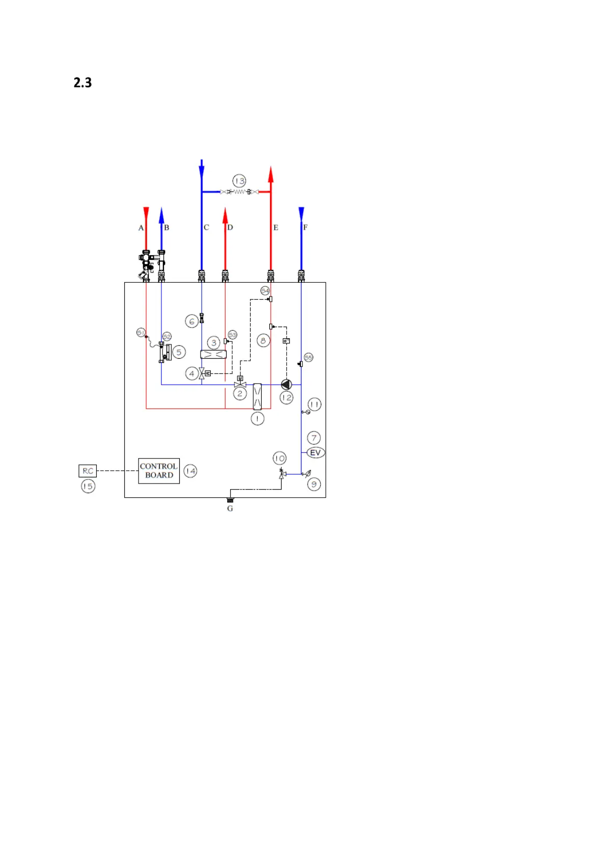
Evinox ModuSat XR - Typical Schematic (All Top Connections)

Evinox ModuSat XR
38 pages
Print Icon
To Next Page IconTo Next Page
To Next Page IconTo Next Page
To Previous Page IconTo Previous Page
To Previous Page IconTo Previous Page
Loading...
7 2551868AB
Typical Schematic (All Top Connections)
ModuSat XR (ECO)
Note: Other connection arrangements are available
see page 10 for details.
Components
A Primary / LTHW flow
B Primary / LTHW return
C Secondary / Domestic cold water
Inlet
D Secondary /Domestic hot water
outlet
E Secondary / Apartment
heating flow
F Secondary / Apartment
heating return
G Connection for safety
discharge
Primary Circuit Side
1 Insulated plate heat exchanger
(Heating)
2 Heating Pressure Independent
Control Valve with actuator
3 Insulated plate heat exchanger
(Domestic Hot Water)
4 DHW Pressure Independent
Control Valve with actuator
5 Heat meter
DHW Secondary Side Circuit
6 Flow sensor
Heating Secondary Side Circuit
7 Heating expansion vessel
8 Safety UFH thermostat (optional)
9 Pressure sensor
10 Safety relief discharge
11 Pressure gauge
12 Heating circulation pump
Controls & Other Items
13 Filling loop (External)
14 Electronic control board
15 ViewSmart room control unit
16 Flushing bypass kit
S1, S2 temperature sensors as a part of
the heat meters
S3 DHW temperature sensor
S4, S5 heating flow and return
temperature sensors