EasyManua.ls Logo

Evinrude E-TEC E60DSLSCS - Electric Start Circuit; Start Circuit Diagram

Evinrude E-TEC E60DSLSCS
369 pages
Print Icon
To Next Page IconTo Next Page
To Next Page IconTo Next Page
To Previous Page IconTo Previous Page
To Previous Page IconTo Previous Page
Loading...
129
ELECTRICAL AND IGNITION
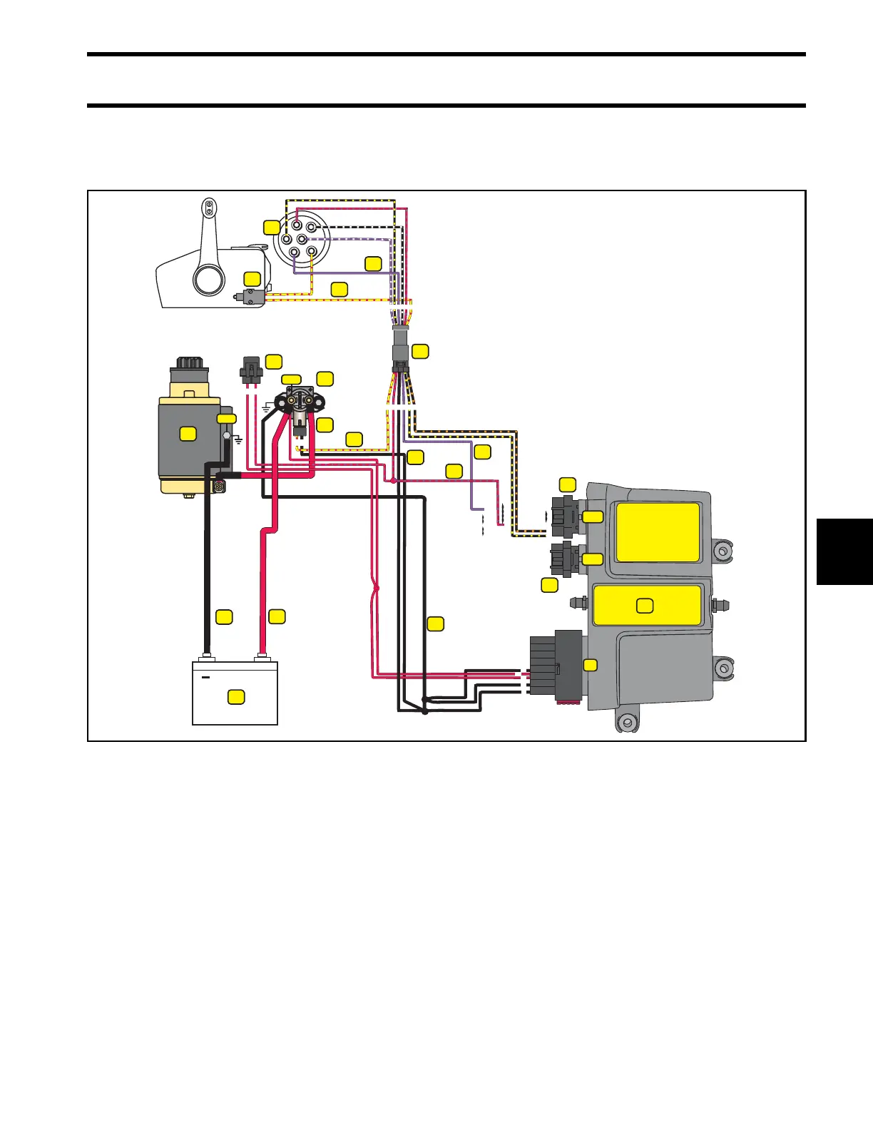
ELECTRIC START CIRCUIT
7
ELECTRIC START CIRCUIT
Start Circuit Diagram
+
5
10
9
1
2
3
4
6
11
13
16
3
14
7
1
2
3
5
6
7
8
12
13
14
15
16
9
10
11
7
6
5
4
3
2
1
8
9
17
16
15
14
13
12
11
10
13
12
11
10
17
16
15
14
FUSE
J1-B
J1-A
J2
4
B
A
+
POS
NEG
A
B
1
23
45
6
M
A
S
C
M
B
123456
8
13
15
9
12
17
34
33
32
31
30
29
28
27
26
006403
1. Marine battery 10. 26-pin J1-B EMM connector
2. RED wire (POS) 11. 34-pin J1-A EMM connector
3. BLACK wire (NEG) 12. Engine Management Module (EMM)
4. Starter solenoid 13. YELLOW/RED wire, start
5. Fuse (10 amp) 14. BLACK wire, start signal ground
6. RED/PURPLE wire 15. Neutral Safety Switch (remote control)
7. 6-pin connectors 16. RED starter motor cable
8. Ignition switch 17. Electric starter motor
9. PURPLE wire (switched B+)

Table of Contents

Related product manuals