EasyManua.ls Logo

Evolution Aqua Cetus sieve - Page 13

Evolution Aqua Cetus sieve
16 pages
Print Icon
To Next Page IconTo Next Page
To Next Page IconTo Next Page
To Previous Page IconTo Previous Page
To Previous Page IconTo Previous Page
Loading...
13
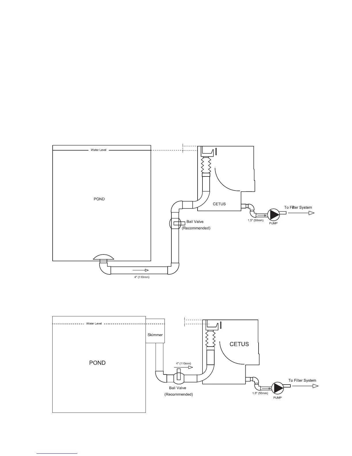
PLEASE NOTE: When installing your pump on a gravity fed system, the pump must
be installed lower than the level of the outlet to prevent airlocks within the pump.
Also if there is any chance of back siphoning, a one way valve must be installed after
the pump to prevent the Cetus Sieve filling with water.
With gravity fed installations, the Cetus Sieve needs to be installed so that the
maximum water level in the Cetus Sieve is the same height as the maximum water
level in the pond. To do this, the top of the Cetus Sieve needs to be installed 20mm
above the pond water level as shown in figure 10a below.
Figure 10a shows the standard way of installing a gravity fed Cetus Sieve.
Figure 10b shows a gravity fed installation on a skimmer line.
GRAVITY FED INSTALLATION
-2-
-4-
20mm
20mm
-2-
-4-
20mm
20mm
Figure 10a.
Figure 10b.

Other manuals for Evolution Aqua Cetus sieve

Related product manuals