EasyManua.ls Logo

Faber INCA PRO PLUS - Page 32

Faber INCA PRO PLUS
36 pages
Print Icon
To Next Page IconTo Next Page
To Next Page IconTo Next Page
To Previous Page IconTo Previous Page
To Previous Page IconTo Previous Page
Loading...
32
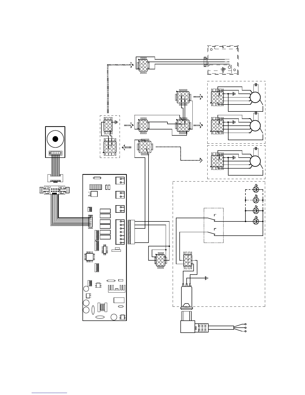
Schéma de câblage



























































































Other manuals for Faber INCA PRO PLUS

Related product manuals