EasyManua.ls Logo

Fagor PS-25B4 - Page 341

Fagor PS-25B4
386 pages
Print Icon
To Next Page IconTo Next Page
To Next Page IconTo Next Page
To Previous Page IconTo Previous Page
To Previous Page IconTo Previous Page
Loading...
Connection diagrams
CONNECTION DIAGRAMS
Diagrams with a PS-25B4 power supply
10.
341
DDS
HARDWARE
Ref.1310
F. H1 0/1 3
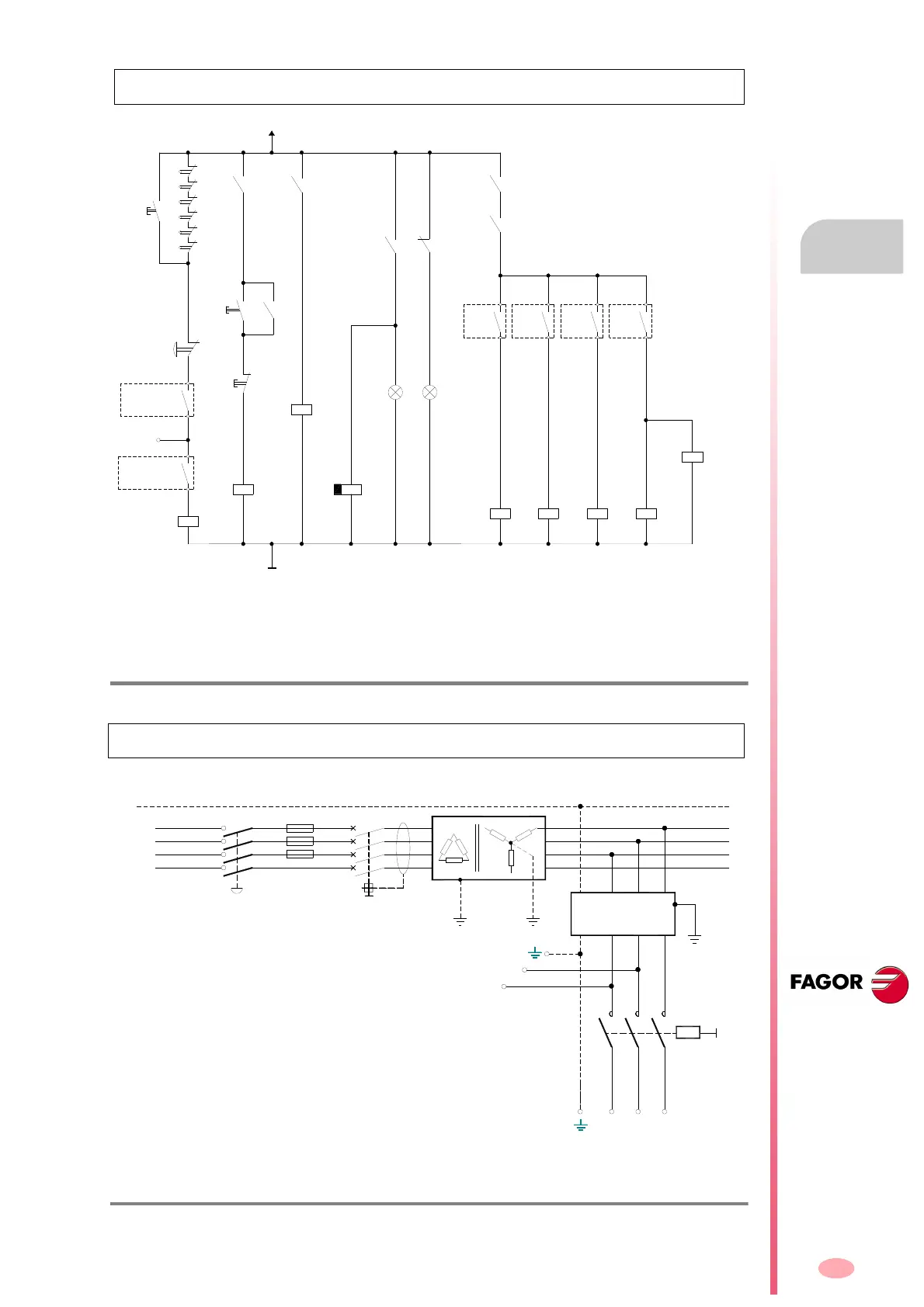
System with a PS-25B4 power supply Diagram of the maneuver.
F. H1 0/1 4
General diagram of a DDS system with a PS-25B4 power supply.
PS-25B4
SYSTEM OK
+24VDC
X+
X-
Y+
Y-
Z+
Z-
KA1
KM1
ON
KM1
EMERG.
STOP
-KA2
OFF
SYSTEM
SPEED
ENABLE
-KM1
-KA1
EMERGENCY LINE
I1 PLC
CNC EMERG.
O1 PLC
GND
ON OFF to SPEED ENABLES
-KA7
BRAKE
CONTROL
BRK
(See GP9)
ON
Green
OFF
Red
KA2 KA2
KA2
KA1
CNC
ENABLE
X
CNC
ENABLE
S
CNC
ENABLE
Y
CNC
ENABLE
Z
Delay off
-KA3
DRIVE
ENABLES
(See GP9)
t seconds
-KA4 -KA5
-KA6
Note. CNC EMERG. will always be assigned to I1/O1 of the PLC with an 8055/55i CNC. With an
8070 CNC, it may be assigned to any I/O of the PLC. The contacts associated with relays - KA2, -
KA3, - KA4, - KA5, - KA6 and - KA7 are shown inside a circle in figure
F. H10/12 and the contactor -
KM1 in figure
F. H10/14.
Note. The relay - KA3 uses delayed
deactivation (t seconds) maintaining
the DRIVE ENABLE control signal
active for a few seconds to maintain
motor torque while the vertical axis
holding brake is enabled.
See parameter GP9 in the
“man_dds_soft.pdf” manual.
OPERATION DIAGRAM. PS-25B4
PE
- S1
MECHANICAL
MAIN SWITCH
- F3
- F4
- F5
MAINS FILTER 42A
L1
L3
L2L1
3x400-460 VAC
2x400-460 VAC
R
S
T
R
S
T
CONTACTOR
- KM1
L2
N
- Q1
DIFFERENTIAL
BREAKER
WARNING. When using an isolating transformer, the secondary must be
connected in star and its middle point must be connected to GND.
POWER MAINS
IT A MUST TO USE FUSES
TO THE POWER CONNECTOR
PS-25B4 POWER SUPPLY
TO THE X3 CONNECTOR
PS-25B4 POWER SUPPLY
Note. Observe that having the main key - S1 closed, although
the power contactor - KM1 is open, the internal auxiliary
power supply remains connected through its connector X3 to
feed the control circuits of the drive.
GENERAL DIAGRAM. PS-25B4

Related product manuals