EasyManua.ls Logo

Falcon G401F - Circuit Diagrams

Falcon G401F
23 pages
Print Icon
To Next Page IconTo Next Page
To Next Page IconTo Next Page
To Previous Page IconTo Previous Page
To Previous Page IconTo Previous Page
Loading...
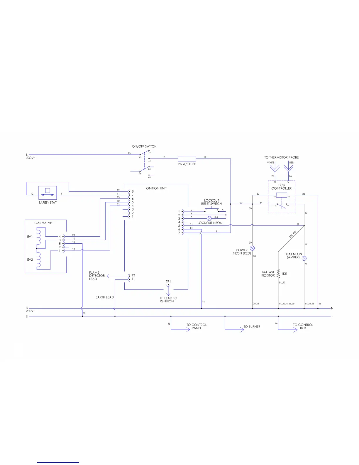
SECTION 11 – CIRCUIT DIAGRAM for G401
20

Other manuals for Falcon G401F

Related product manuals