EasyManua.ls Logo

Falcon G401F - Circuit Diagrams

Falcon G401F
23 pages
Print Icon
To Previous Page IconTo Previous Page
To Previous Page IconTo Previous Page
Loading...
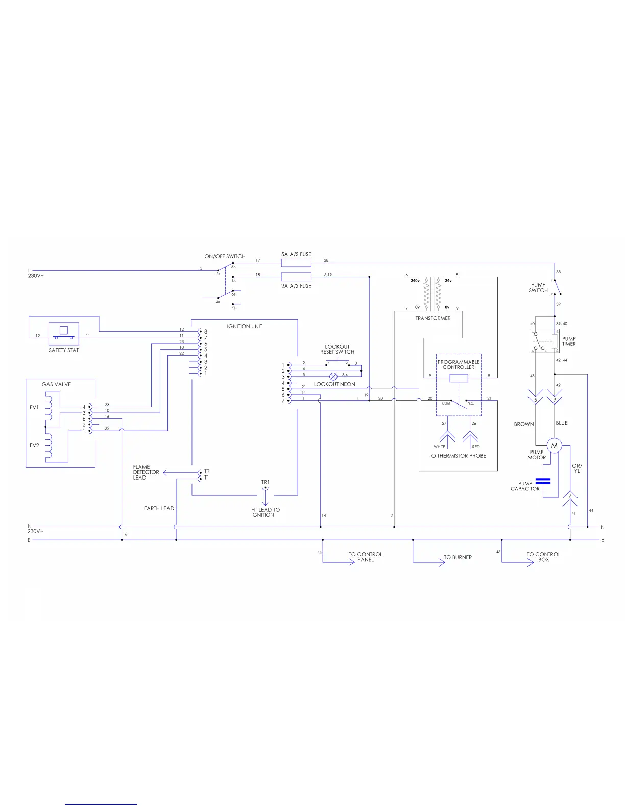
SECTION 11 – CIRCUIT DIAGRAM for G402F
23

Other manuals for Falcon G401F

Related product manuals