EasyManua.ls Logo

Falcon Professional + FX - Circuit Diagram

Falcon Professional + FX
38 pages
Print Icon
To Next Page IconTo Next Page
To Next Page IconTo Next Page
To Previous Page IconTo Previous Page
To Previous Page IconTo Previous Page
Loading...
35
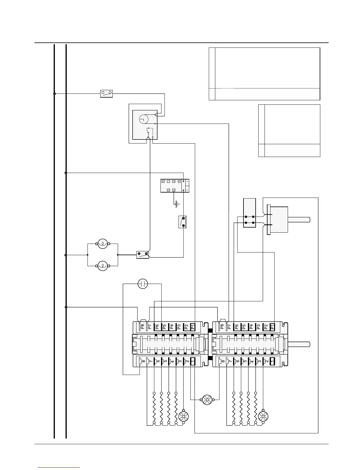
ArtNo.080-0023 - LC Albertine 36 USA circuit diagram


a
b
e
f
c
d
1 2












































































10. Circuit Diagram

Related product manuals