EasyManua.ls Logo

Falcon Professional + FXP - Technical Diagrams and Specifications

Falcon Professional + FXP
43 pages
Print Icon
To Next Page IconTo Next Page
To Next Page IconTo Next Page
To Previous Page IconTo Previous Page
To Previous Page IconTo Previous Page
Loading...
40
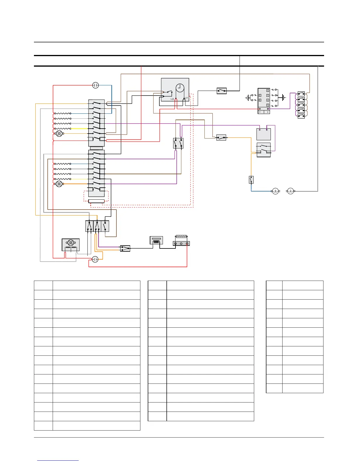
10. Circuit Diagram
6
P6
5 P5
4
P4
7 P7
8 P8
2
P2
1
P1
3 P3
a
b
e
f
c
d
1
2
v
32
31
21
22
24
14
12
12
1
2
P2
P1
A1
A2/B1
B2
6
P6
5 P5
4
P4
7 P7
8 P8
2
P2
1
P1
3 P3
11
or
gy
b
gy
w
y
or
r
br
w
b
gy
w
y
or
r
r
r
br
br
b
v
bk
b
r
bk
v
br
v
bk
r
r
or
w
bk
brw or vgy
g ywr
r
or
or
v
r
v
br
br
v
br
or
or
or
v
v
v
b
w
w
rv
r
br
bk
bk
r
bk bk
bk
wb
bk bk
br
v
br
br
br
N
A
A1
A2
B1
B2
K
G
H3
H2H2
J
M
O
P
D
Q2
R
I
Q1
H1
Q3
C1
C2
C3
C4
C5
F1
F2
F3
F4
F5
Code Description
A1 MF oven master switch
A2 MF oven drone switch
B1 Oven thermostat
B2 Oven front switch
C1 Right-hand oven base element
C2 Right-hand oven top outer element
C3 Right-hand oven top inner element
C4 Right-hand oven fan element
C5 Right-hand oven fan
D Cooling fan (2 speed)
F1 Left-hand oven base element
F2 Left-hand oven top outer element
F3 Left-hand oven top inner element
F4 Left-hand oven fan element
F5 Left-hand oven fan
Code Colour
bl Blue
br Brown
bk Black
or Orange
r Red
v Violet
w White
y Yellow
g/y Green/yellow
gr Grey
r(f) Red (ag)
Code Description
G Oven protect thermostat
H1 Oven neon
H2 Oven light
H3 Oven light switch
I Door lock neon
J Ignition spark generator
K Oven divider switch (In)
M Ignition switches
O Cooling fan fail cut-out
P Pyrolytic thermostat
Q1 Lock cam switch
Q2 Lock motor
Q3 Lock motor resistor
R Clock / oven timer

Related product manuals